- Partiron
- OEM Parts
- Suzuki
- Motorcycle
- 2018
- TU250XL8 (2018)
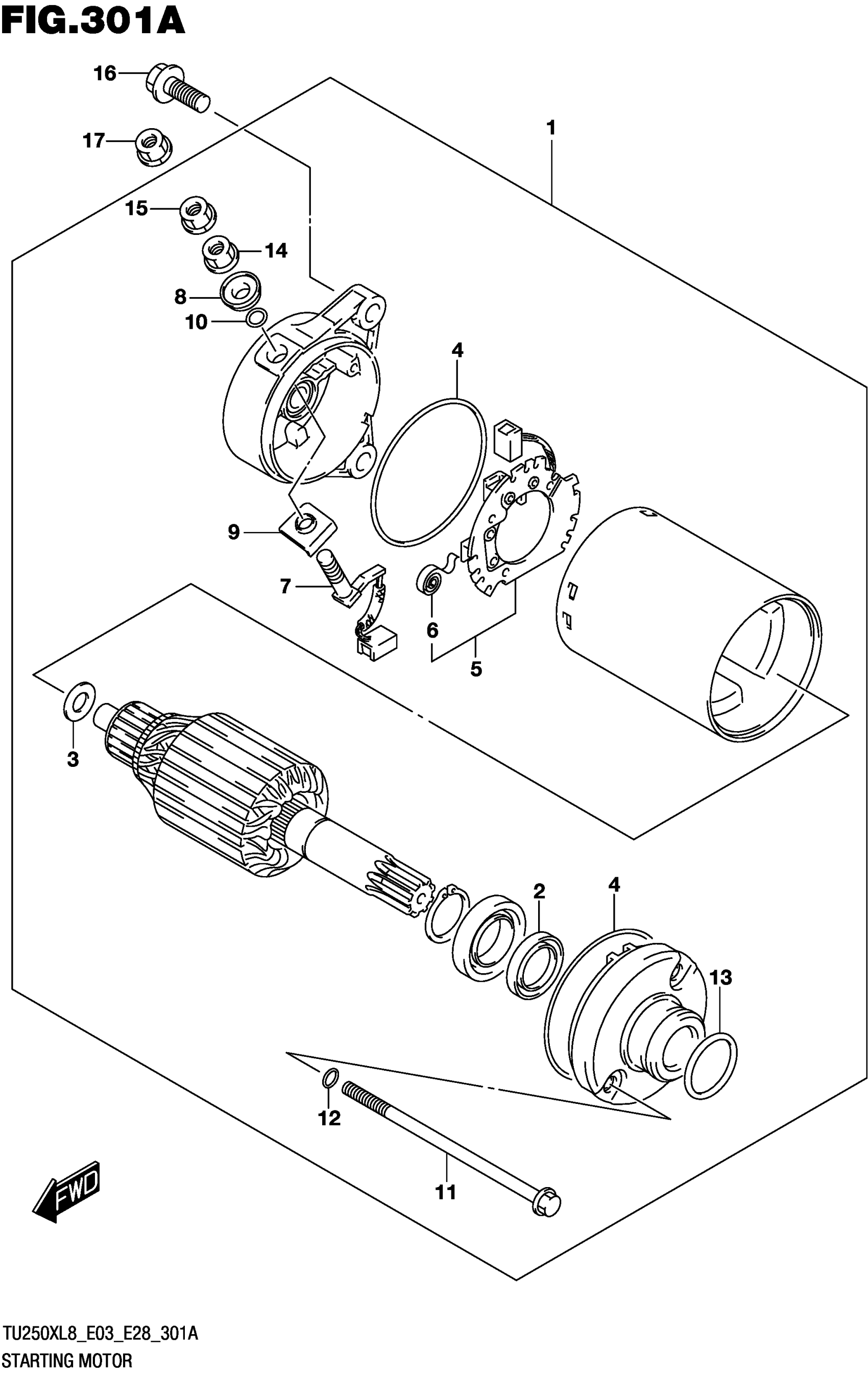
STARTING MOTOR
Suzuki TU250XL8 (2018) STARTING MOTOR Diagram
#
Description
Price
3
.SHIM SET
31170-43400
Unavailable
11
.BOLT
31281-87402
Unavailable
