- Partiron
- OEM Parts
- Suzuki
- Motorcycle
- 2017
- TU250XL7 (2017)
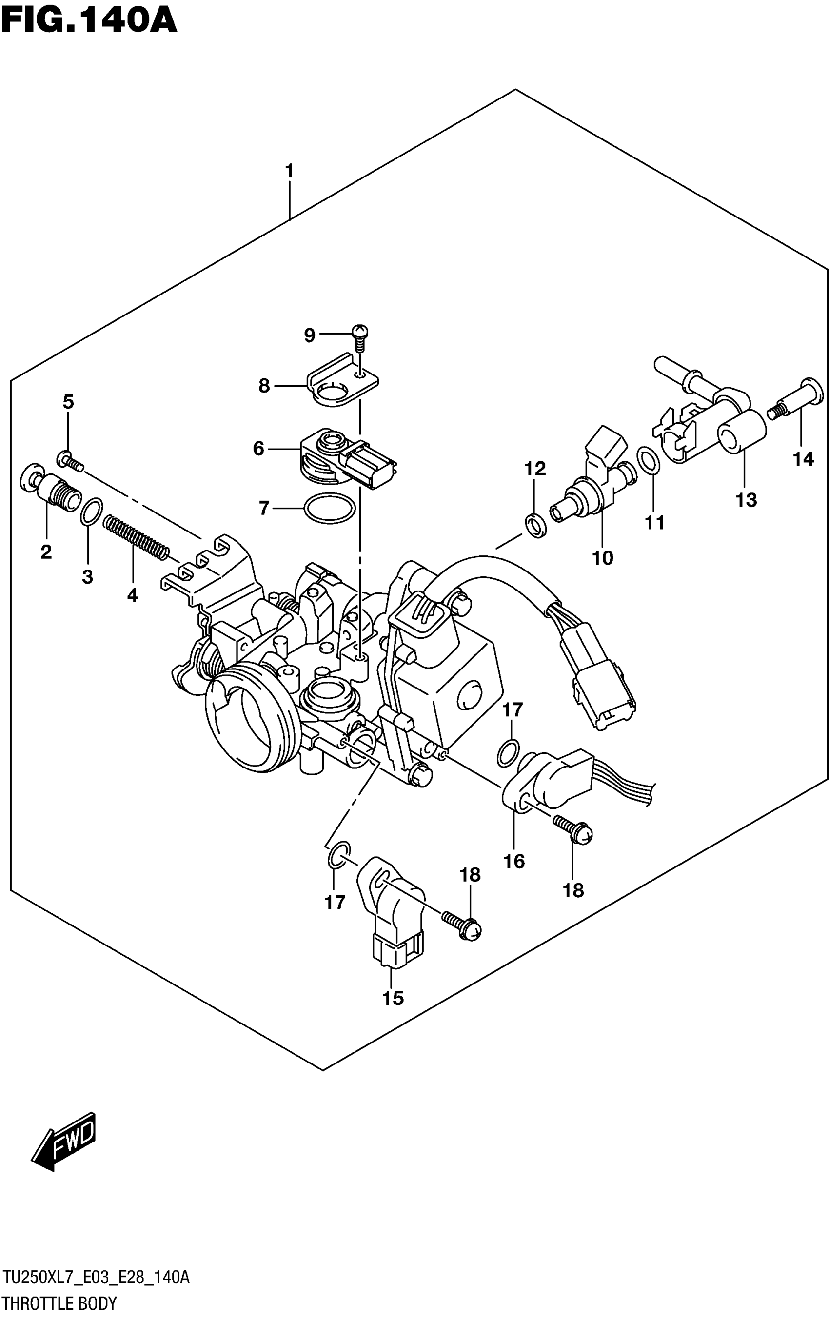
THROTTLE BODY
Suzuki TU250XL7 (2017) THROTTLE BODY Diagram
#
Description
Price
2
.SCREW
13279-26GA0
Unavailable
4
.SPRING
13271-26GA0
Unavailable
8
.PLATE, MAP SENSOR
15622-33H00
Unavailable
