- Partiron
- OEM Parts
- Suzuki
- Motorcycle
- 2017
- TU250XL7 (2017)
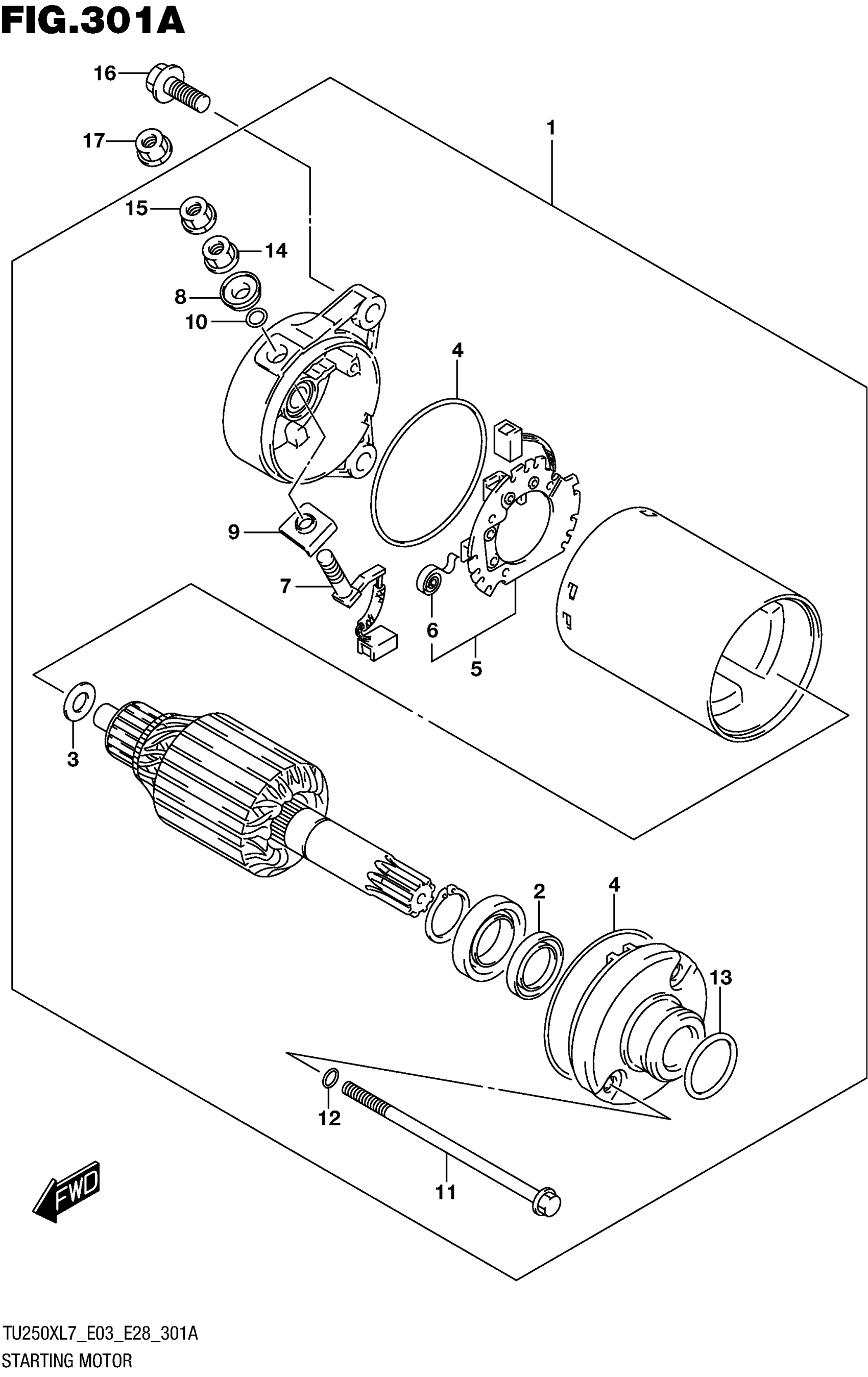
STARTING MOTOR
Suzuki TU250XL7 (2017) STARTING MOTOR Diagram
#
Description
Price
3
.SHIM SET
31170-43400
Unavailable
11
.BOLT
31281-87402
Unavailable
