Suzuki TU250XL7 (2017) CLUTCH Diagram
#
Description
Price
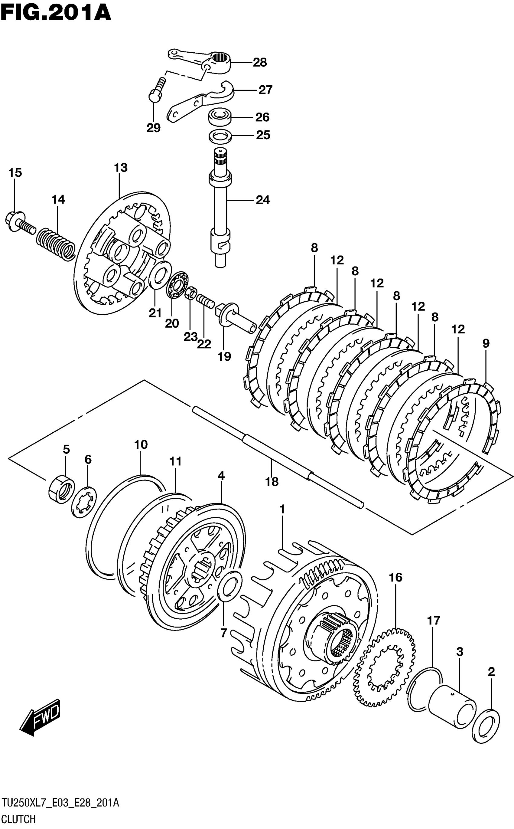
3
SPACER (22X28X37.5)
09180-22024
Unavailable
16
GEAR, ENGINE OIL PUMP
16321-38210
Unavailable
16
(NT:16/38)
16321-38210
Unavailable
24
CAMSHAFT, CLUTCH RELEASE
23122-38200
Unavailable
28
ARM, CLUTCH RELEASE
23271-12D10
Unavailable
