- Partiron
- OEM Parts
- Suzuki
- Motorcycle
- 2015
- TU250XL5 (2015)
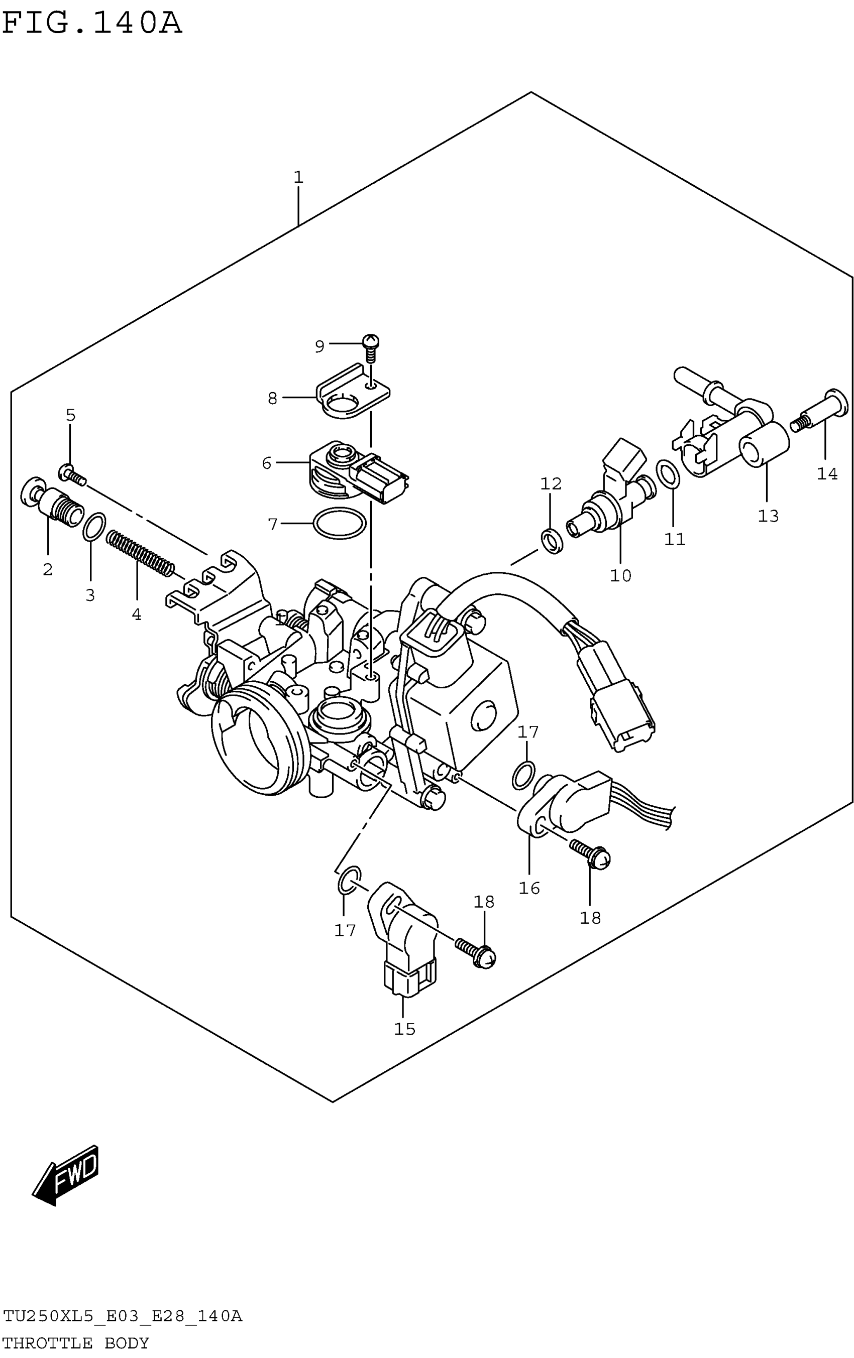
THROTTLE BODY
Suzuki TU250XL5 (2015) THROTTLE BODY Diagram
#
Description
Price
2
SCREW
13279-26GA0
Unavailable
4
SPRING
13271-26GA0
Unavailable
8
PLATE, MAP SENSOR
15622-33H00
Unavailable
