Partiron

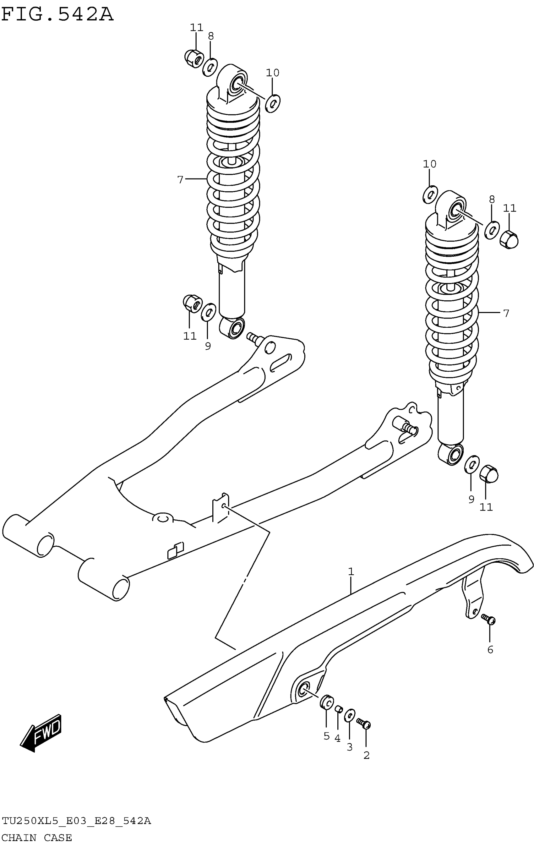
Suzuki TU250XL5 (2015) CHAIN CASE Diagram

#

Description
Price

1

CASE, CHAIN

61310-38300

$136.45

2

SCREW

02112-3616B

$2.50

3

WASHER (6.5X20X1.2)

09160-06077

$1.91

4

WASHER

09169-06065

$4.32

5

CUSHION (8.5X20X8) This part replaces 09320-08021.

09320-08510

$1.97

6

SCREW

02112-3616B

$2.50

7

ABSORBER ASSY, REAR SHOCK

62100-26G00

$318.77

8

WASHER (10.5X24X2.3)

09160-10093

$2.35

9

WASHER (10.5X24X2.3)

09160-10093

$2.35

10

WASHER (12.5X24X3.2)

09160-12082

$3.29

11

NUT

08313-10107

$2.50