- Partiron
- OEM Parts
- Suzuki
- Motorcycle
- 2009
- TU250X (2009)
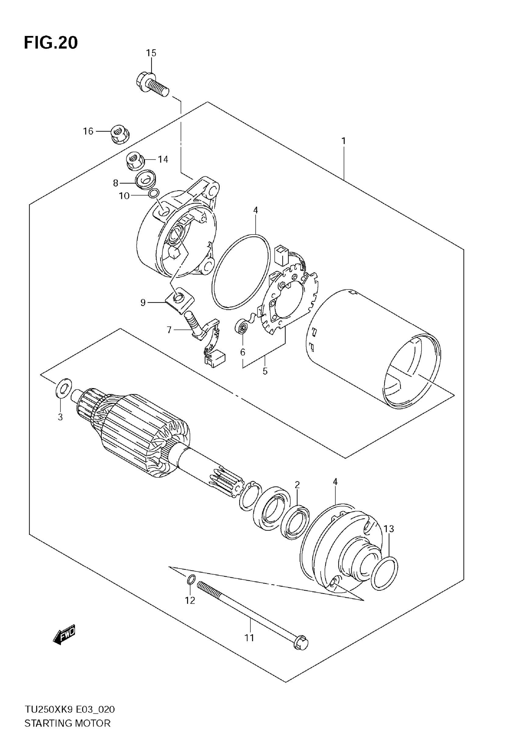
STARTING MOTOR
Suzuki TU250X (2009) STARTING MOTOR Diagram
#
Description
Price
3
SHIM SET
31170-43400
Unavailable
11
BOLT
31281-87402
Unavailable
