Partiron

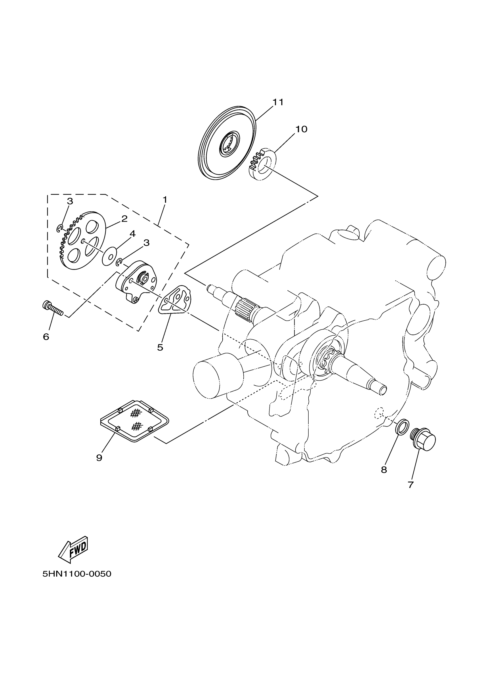
Yamaha TTR90N (TTR90) 5HN5 2001 OIL PUMP Diagram

#

Description
Price

1

OIL PUMP ASSY

4GL-13300-01-00

Unavailable

2

GEAR, PUMP DRIVEN

4GL-13325-00-00

Unavailable

3

CIRCLIP(22K)

99080-05600-00

$8.49

4

WASHER, CONICAL SPRING(4GL)

90208-07052-00

$4.41

5

GASKET, PUMP COVER

22F-13329-01-00

$7.99

6

SCREW, FLAT FILLISTER

90155-06007-00

Unavailable

7

PLUG, STRAIGHT SCREW

90340-12006-00

$8.49

8

GASKET

812-11198-00-00

$6.99

9

STRAINER, OIL

22F-13411-01-00

$29.99

10

GEAR, PUMP DRIVE

4GL-13324-00-00

Unavailable

11

FILTER,ROTARY

4GL-13451-01-00

$45.99