- Partiron
- OEM Parts
- Yamaha
- motorcycle
- 2005
- TTR90ET (TT-R90E) 5HNT 2005
ELECTRICAL 1
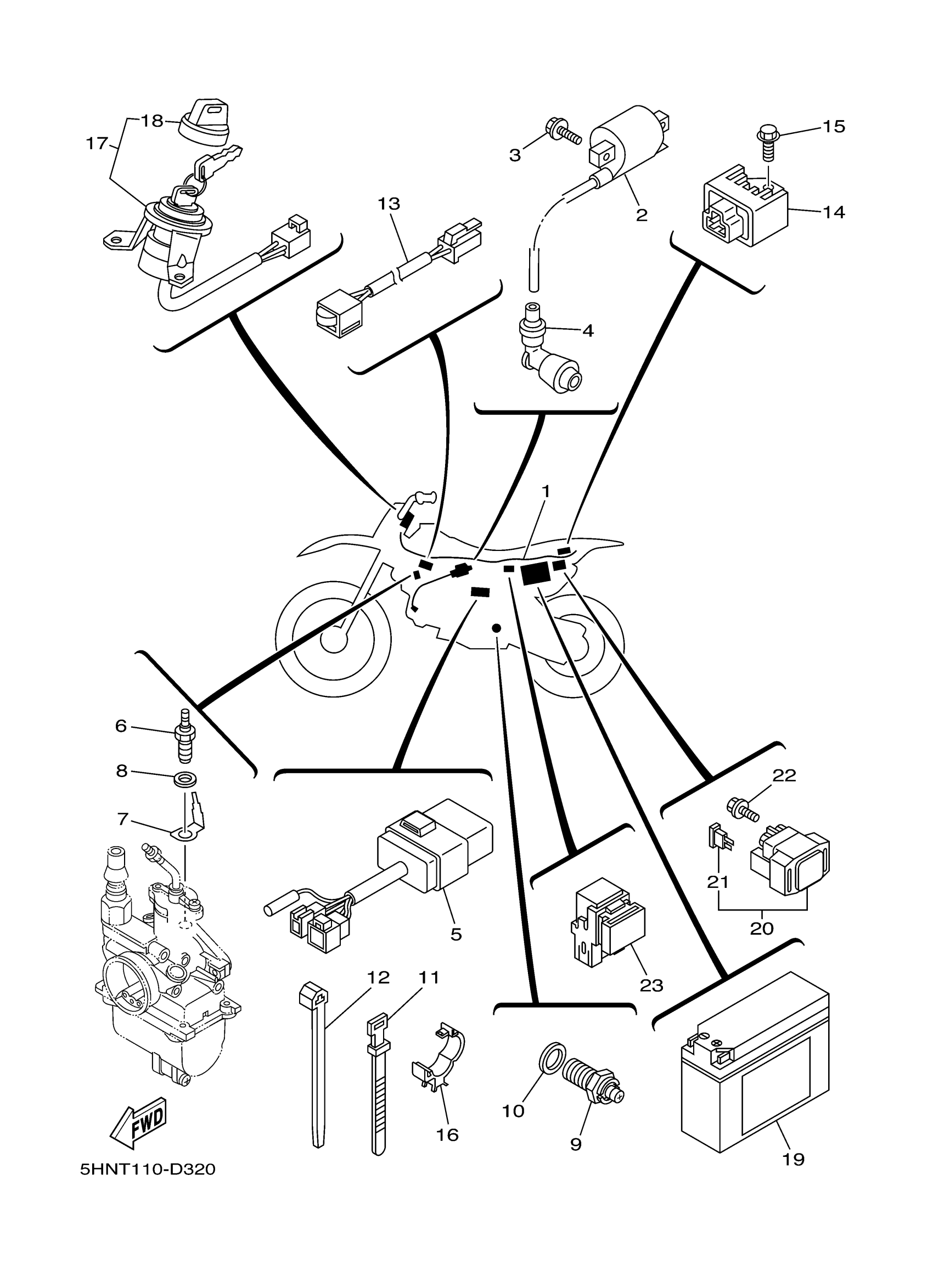
Yamaha TTR90ET (TT-R90E) 5HNT 2005 ELECTRICAL 1 Diagram
#
Description
Price
1
WIRE HARNESS ASSY
5HN-82590-10-00
Unavailable
3
. BOLT, FLANGE
95027-06020-00
Unavailable
5
C.D.I. UNIT ASSY
5HN-85540-00-00
Unavailable
16
CLAMP(4KM)
90464-25217-00
Unavailable
17
MAIN SWITCH ASSY
5HN-82510-01-00
Unavailable
18
CAP, KEY
3HN-82579-00-00
Unavailable
19
GT4B5 GS BATTERY - FA
GT4-B5000-00-00
Unavailable
20
STARTER RELAY ASSY (RC19-028)
5HH-81940-02-00
Unavailable
21
FUSE (10A)
42X-82151-00-00
Unavailable
22
BOLT, SMALL FLANGE
95027-06008-00
Unavailable
23
RELAY ASSY (8DM-00)
8DM-81950-00-00
Unavailable
