- Partiron
- OEM Parts
- Yamaha
- motorcycle
- 2009
- TTR50EY (TTR50E) 1P6C 2009
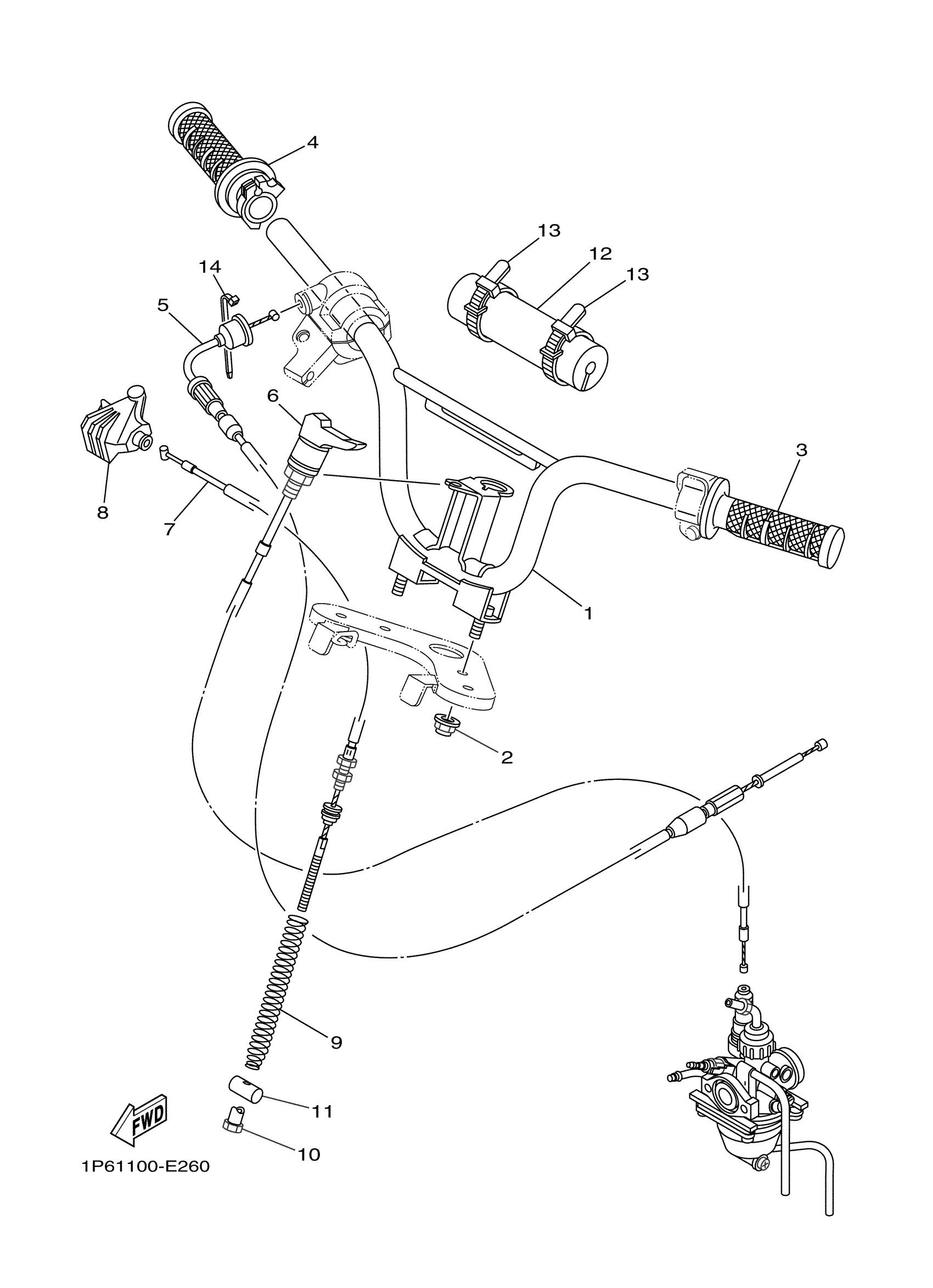
STEERING HANDLE CABLE
Yamaha TTR50EY (TTR50E) 1P6C 2009 STEERING HANDLE CABLE Diagram
#
Description
Price
9
SPRING
1P6-F6314-01-00
Unavailable
