- Partiron
- OEM Parts
- Yamaha
- motorcycle
- 2008
- TTR50EX (TTR50E) 1P67 2008
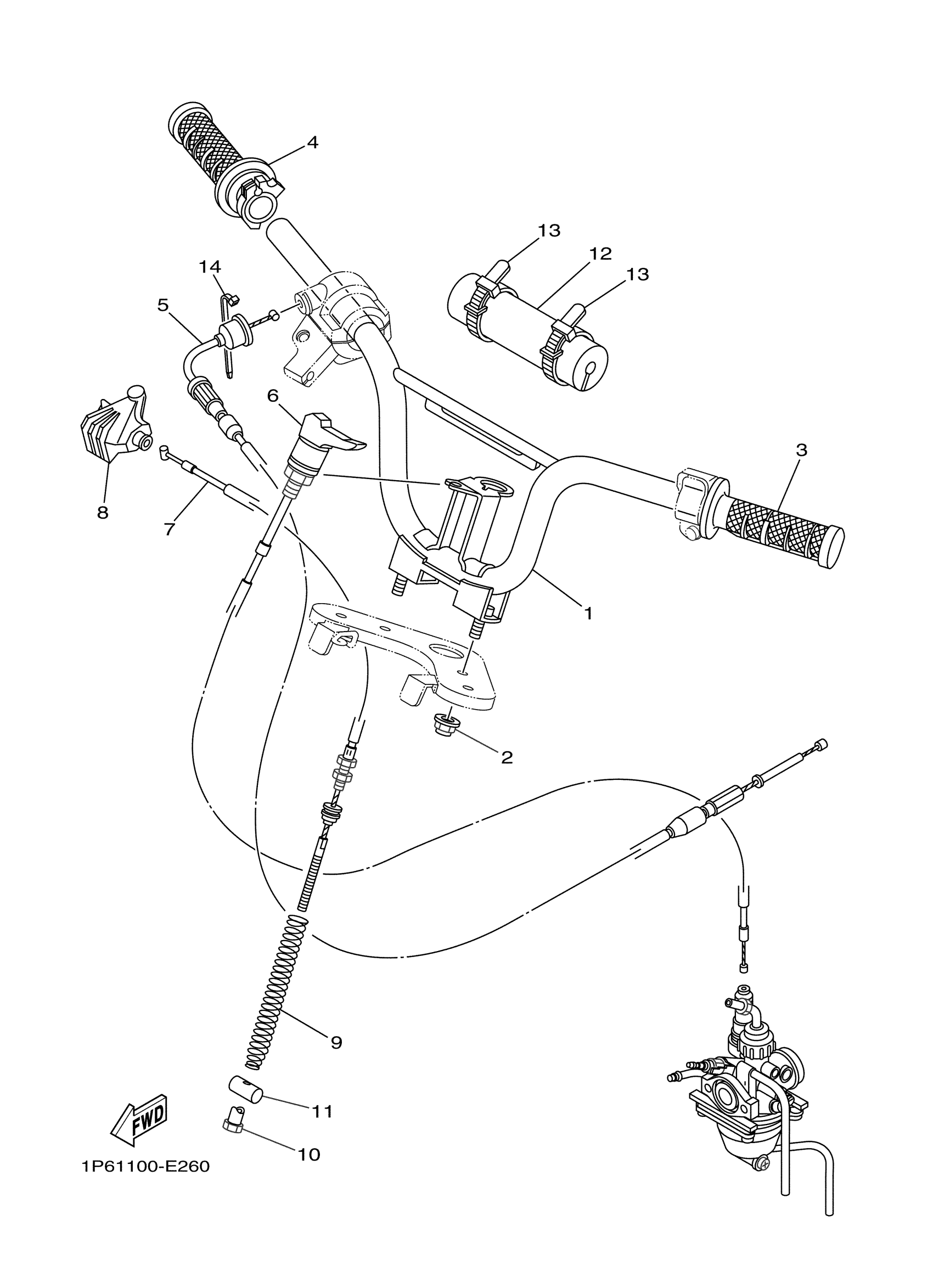
STEERING HANDLE CABLE
Yamaha TTR50EX (TTR50E) 1P67 2008 STEERING HANDLE CABLE Diagram
#
Description
Price
9
SPRING
1P6-F6314-01-00
Unavailable
