- Partiron
- OEM Parts
- Yamaha
- motorcycle
- 2007
- TTR50EW (TT-R50E) 1P64 2007
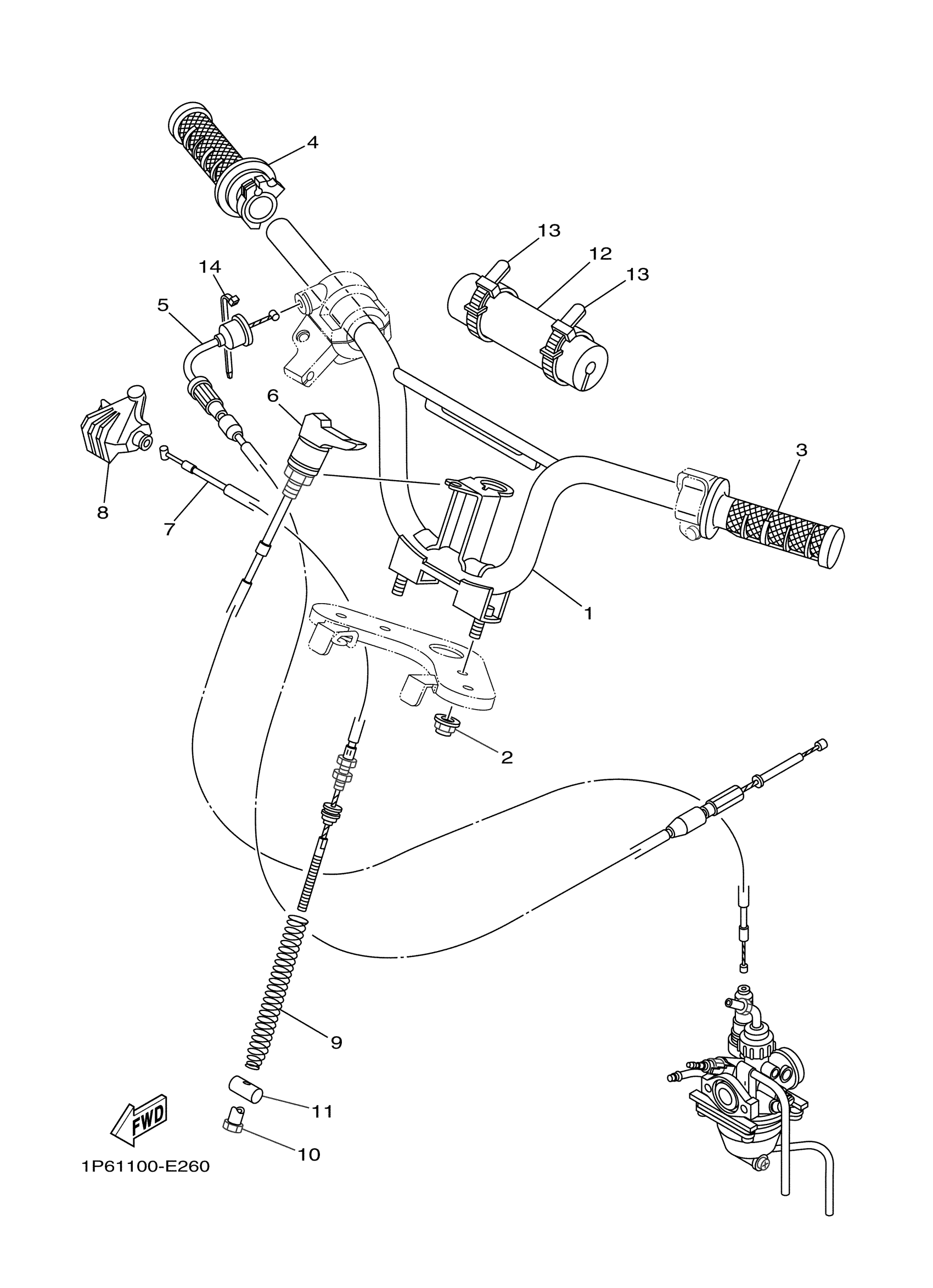
STEERING HANDLE CABLE
Yamaha TTR50EW (TT-R50E) 1P64 2007 STEERING HANDLE CABLE Diagram
#
Description
Price
9
SPRING
1P6-F6314-01-00
Unavailable
