- Partiron
- OEM Parts
- Yamaha
- motorcycle
- 2006
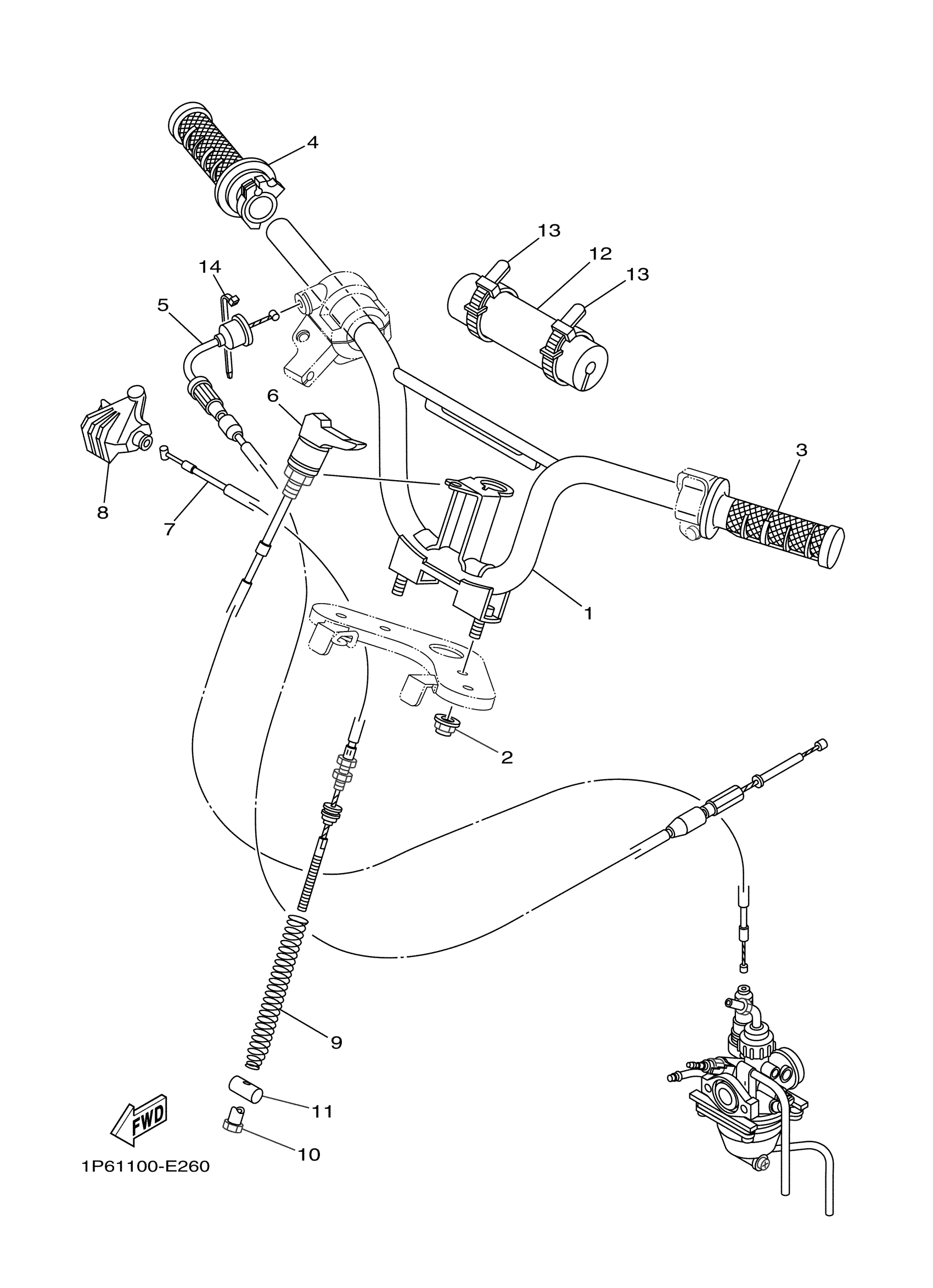
- TTR50EV (TT-R50E ELECTRIC) 1P61 2006
STEERING HANDLE CABLE
Yamaha TTR50EV (TT-R50E ELECTRIC) 1P61 2006 STEERING HANDLE CABLE Diagram
#
Description
Price
9
SPRING
1P6-F6314-01-00
Unavailable
