- Partiron
- OEM Parts
- Yamaha
- motorcycle
- 2026
- TTR50ETC (TTR50E) DP62 2026
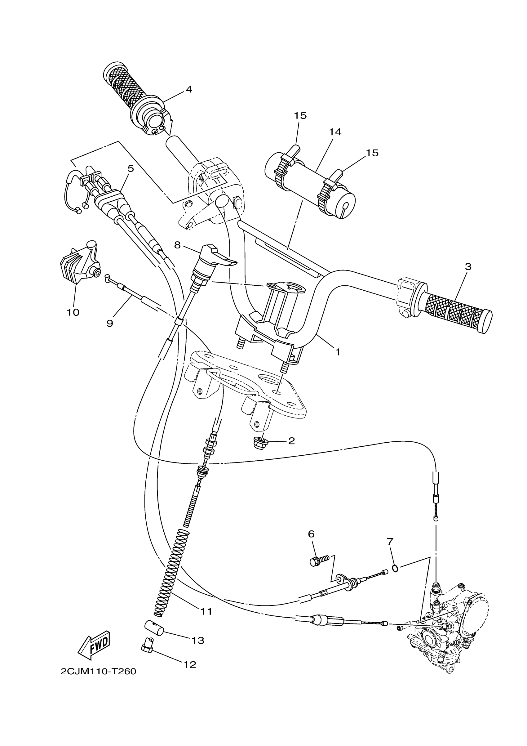
STEERING HANDLE & CABLE
Yamaha TTR50ETC (TTR50E) DP62 2026 STEERING HANDLE & CABLE Diagram
#
Description
Price
7
O-RING
93210-06810-00
Unavailable
11
SPRING
1P6-F6314-01-00
Unavailable
15
BAND, SWITCH CORD
4TU-H3936-30-00
Unavailable
