- Partiron
- OEM Parts
- Yamaha
- motorcycle
- 2025
- TTR50ESC (TTR50E CA) BEGU 2025
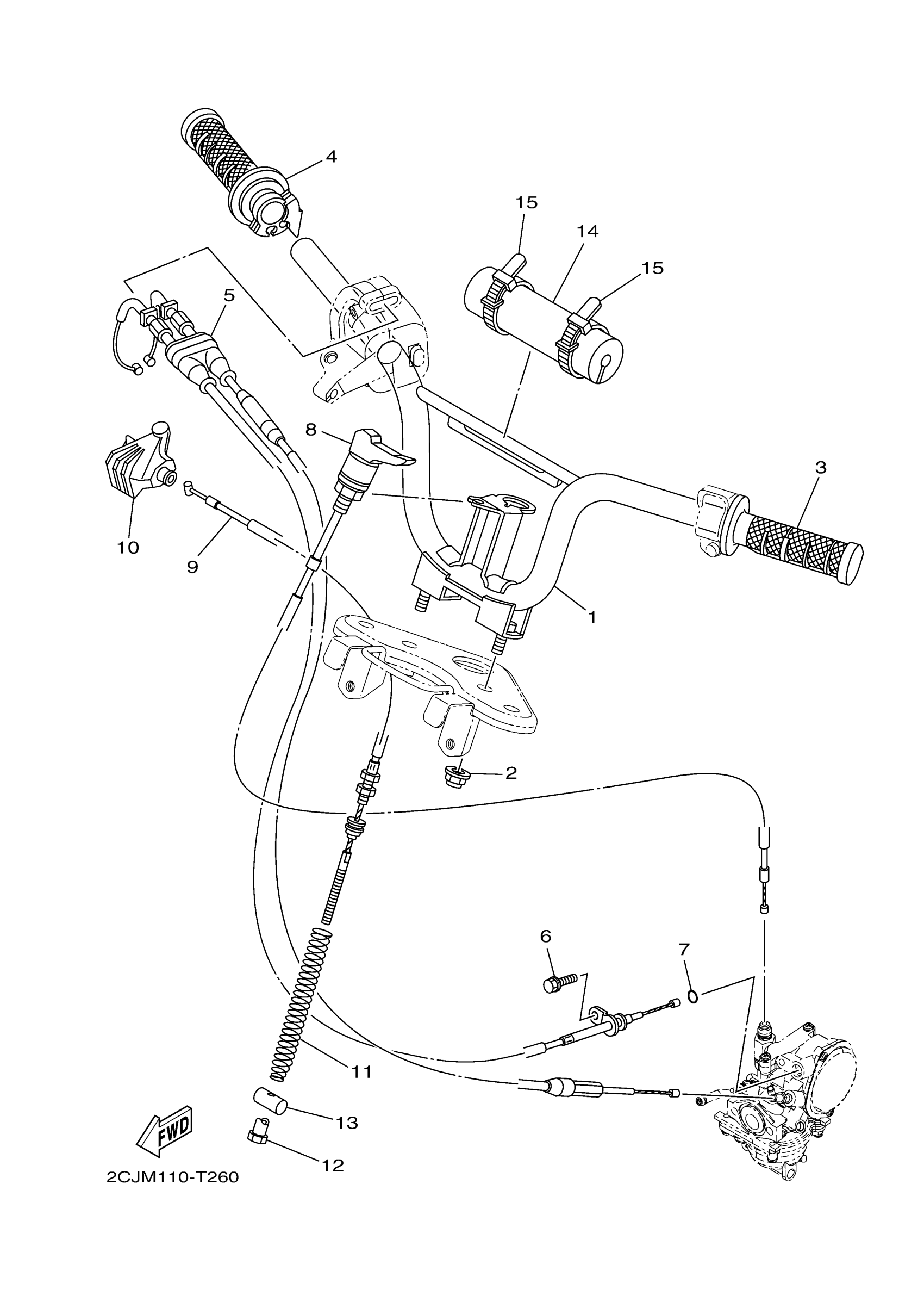
STEERING HANDLE & CABLE
Yamaha TTR50ESC (TTR50E CA) BEGU 2025 STEERING HANDLE & CABLE Diagram
#
Description
Price
7
O-RING
93210-06810-00
Unavailable
11
SPRING
1P6-F6314-01-00
Unavailable
15
BAND, SWITCH CORD
4TU-H3936-30-00
Unavailable
