- Partiron
- OEM Parts
- Yamaha
- motorcycle
- 2024
- TTR50ERC (TTR50E CA) BEGM 2024
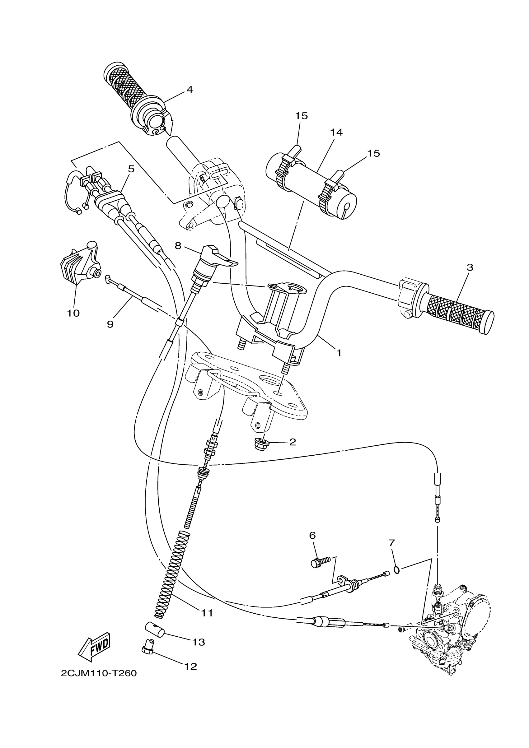
STEERING HANDLE & CABLE
Yamaha TTR50ERC (TTR50E CA) BEGM 2024 STEERING HANDLE & CABLE Diagram
#
Description
Price
7
O-RING
93210-06810-00
Unavailable
11
SPRING
1P6-F6314-01-00
Unavailable
