- Partiron
- OEM Parts
- Yamaha
- motorcycle
- 2023
- TTR50EPC (TTR50E CA) BEGF 2023
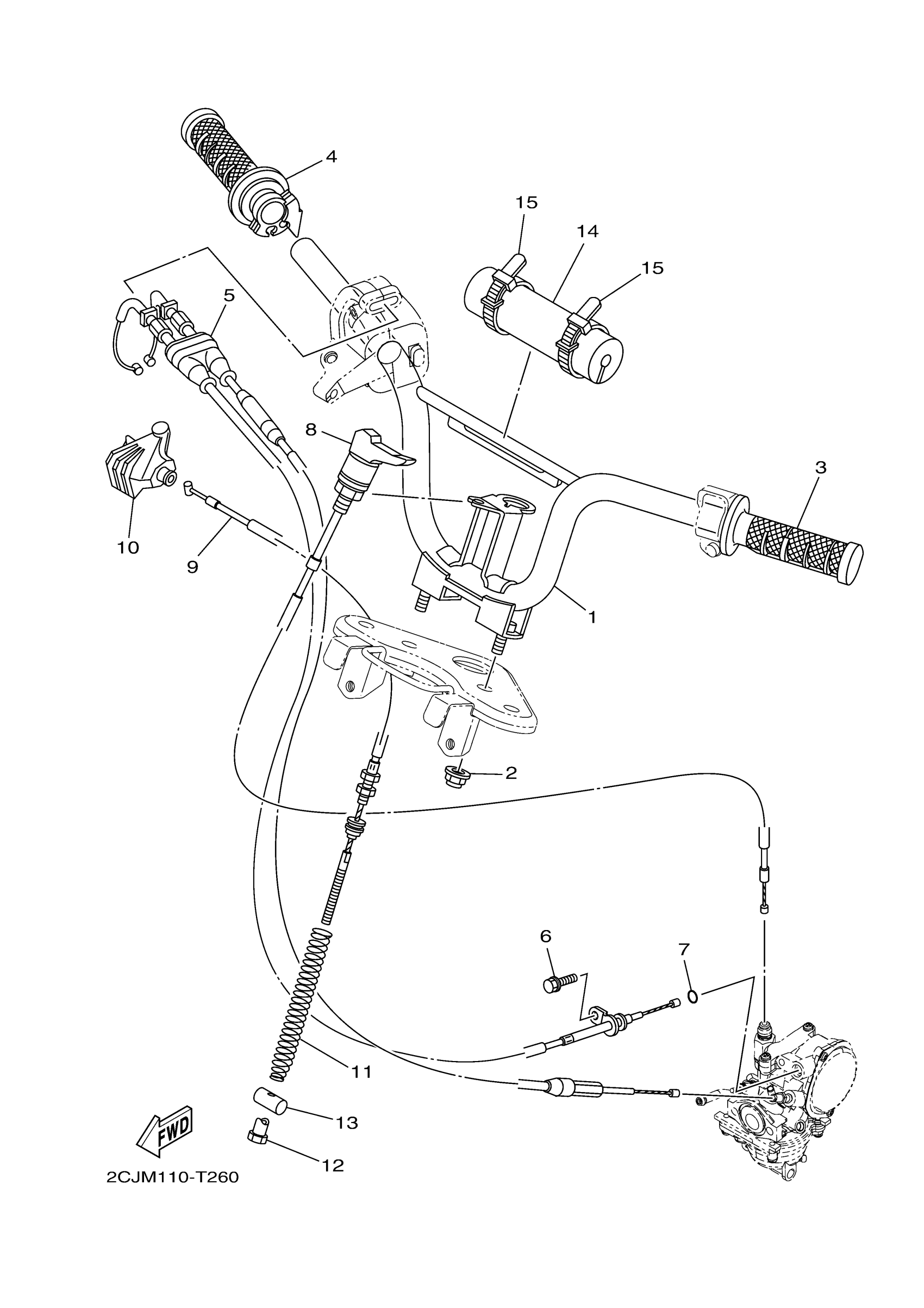
STEERING HANDLE & CABLE
Yamaha TTR50EPC (TTR50E CA) BEGF 2023 STEERING HANDLE & CABLE Diagram
#
Description
Price
7
O-RING
93210-06810-00
Unavailable
11
SPRING
1P6-F6314-01-00
Unavailable
