- Partiron
- OEM Parts
- Yamaha
- motorcycle
- 2019
- TTR50EK (TTR50E) 2CJS 2019
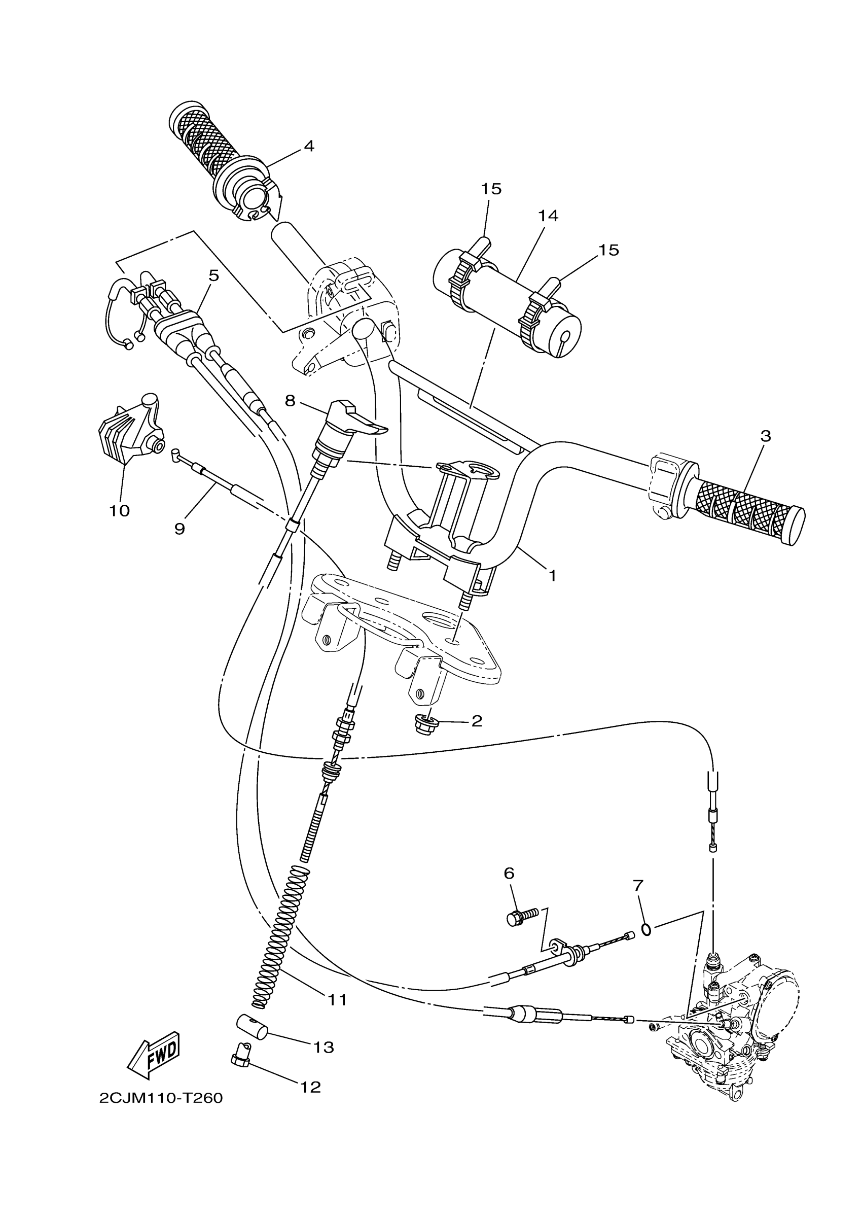
STEERING HANDLE CABLE
Yamaha TTR50EK (TTR50E) 2CJS 2019 STEERING HANDLE CABLE Diagram
#
Description
Price
7
O-RING
93210-06810-00
Unavailable
11
SPRING
1P6-F6314-01-00
Unavailable
