- Partiron
- OEM Parts
- Yamaha
- motorcycle
- 2015
- TTR50EF (TTR50E) 2CJ9 2015
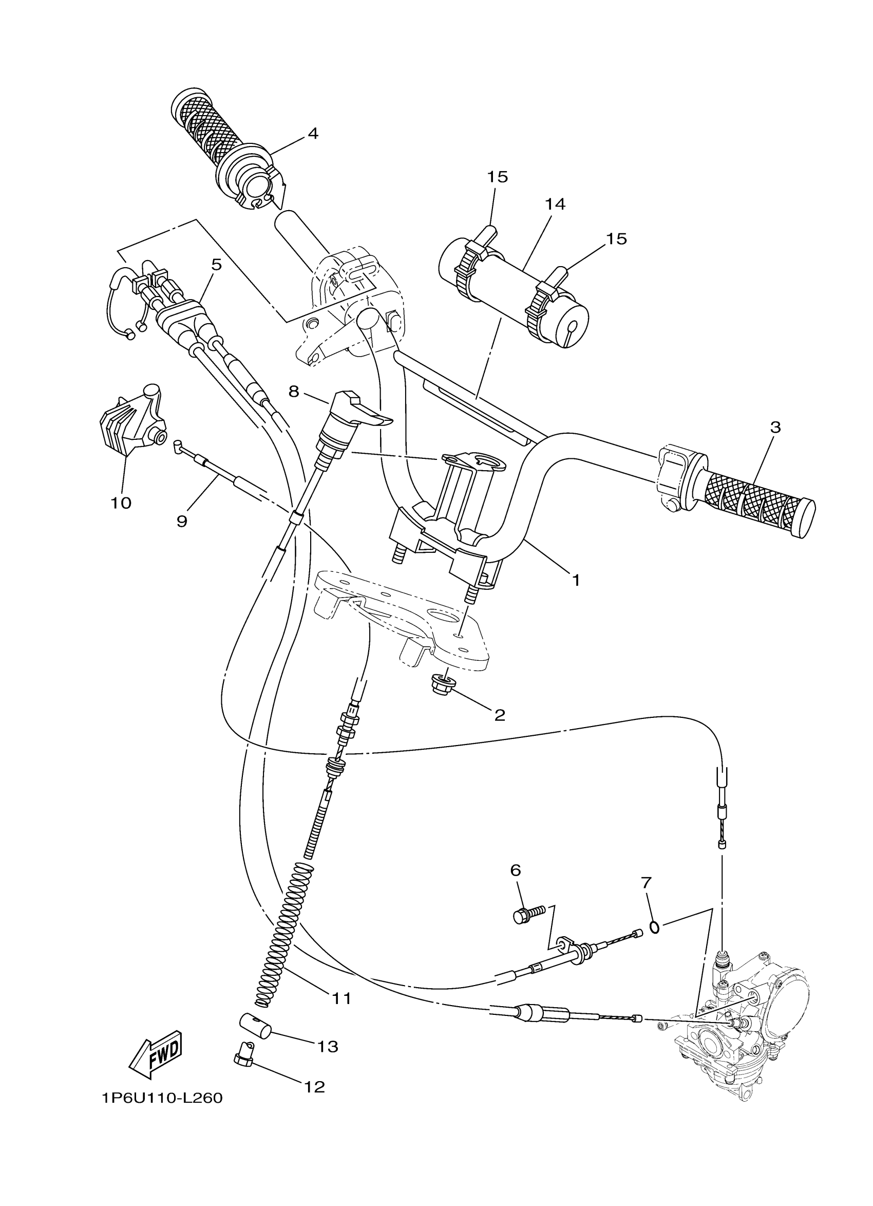
STEERING HANDLE CABLE
Yamaha TTR50EF (TTR50E) 2CJ9 2015 STEERING HANDLE CABLE Diagram
#
Description
Price
7
O-RING
93210-06810-00
Unavailable
11
SPRING
1P6-F6314-01-00
Unavailable
