Partiron

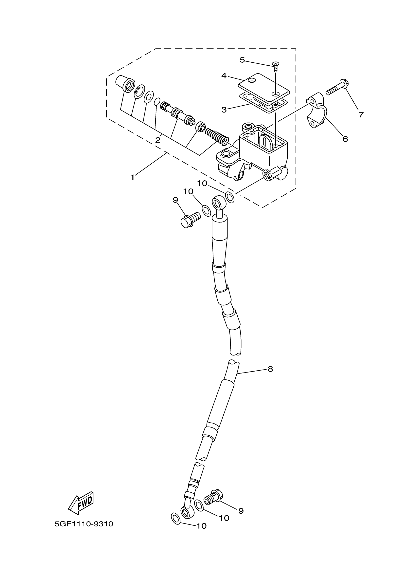
Yamaha TTR250TC (TT-R250 CA) 5GFL 2005 FRONT MASTER CYLINDER Diagram

#

Description
Price

1

MASTER CYLINDER SU

5RS-25870-03-00

Unavailable

2

CYLINDER KIT, MAST

5RS-25807-03-00

$40.99

3

. DIAPHRAGM, RESERVOIR

5RB-25854-00-00

Unavailable

4

CAP, RESERVOIR

4GY-25852-01-00

$41.99

5

SCREW, FLAT

98707-04012-00

$2.18

6

BRACKET, MASTER CYLINDER

56A-25867-00-00

$28.99

7

BOLT, SMALL FLANGE

95027-06025-00

$4.16

8

HOSE, BRAKE 1

5GF-25872-00-00

Unavailable

9

BOLT, UNION(3GM)

90401-10159-00

$11.49

10

WASHER, PLATE(481)

90201-10118-00

Unavailable