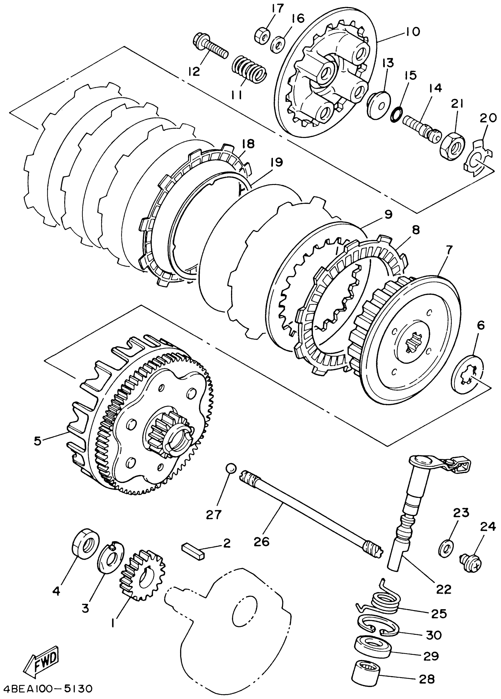
Yamaha TTR225PC (TTR225 CA) 5FGB 2002 CLUTCH Diagram
#
Description
Price
1
GEAR, PRIMARY DRIVE
5H0-16111-00-00
Unavailable
14
ROD, PUSH 1
4JG-16356-00-00
Unavailable
16
WASHER(6TA)
92907-06200-00
Unavailable
17
NUT(6TA)
95317-06600-00
Unavailable
18
PLATE, FRICTION
36X-16321-00-00
Unavailable
19
SPRING, CLUTCH BOSS
1KH-16383-00-00
Unavailable
20
WASHER, LOCK (25G)
90215-14186-00
Unavailable
22
PUSH LEVER ASSY
4JG-16380-01-00
Unavailable
23
GASKET
90430-08119-00
Unavailable
24
SCREW 425163430000
90149-08067-00
Unavailable
25
SPRING, TORSION
90508-18495-00
Unavailable
26
ROD, PUSH 2
5H0-16357-00-00
Unavailable
27
BALL
93505-16006-00
Unavailable
28
BEARING, CYLINDRICAL (3Y1)
93315-31428-00
Unavailable
29
OIL SEAL (3Y1)
93102-14209-00
Unavailable
30
CIRCLIP (3Y1)
93420-28055-00
Unavailable
