- Partiron
- OEM Parts
- Yamaha
- motorcycle
- 2001
- TTR225NC (TTR225 CA) 5FG8 2001
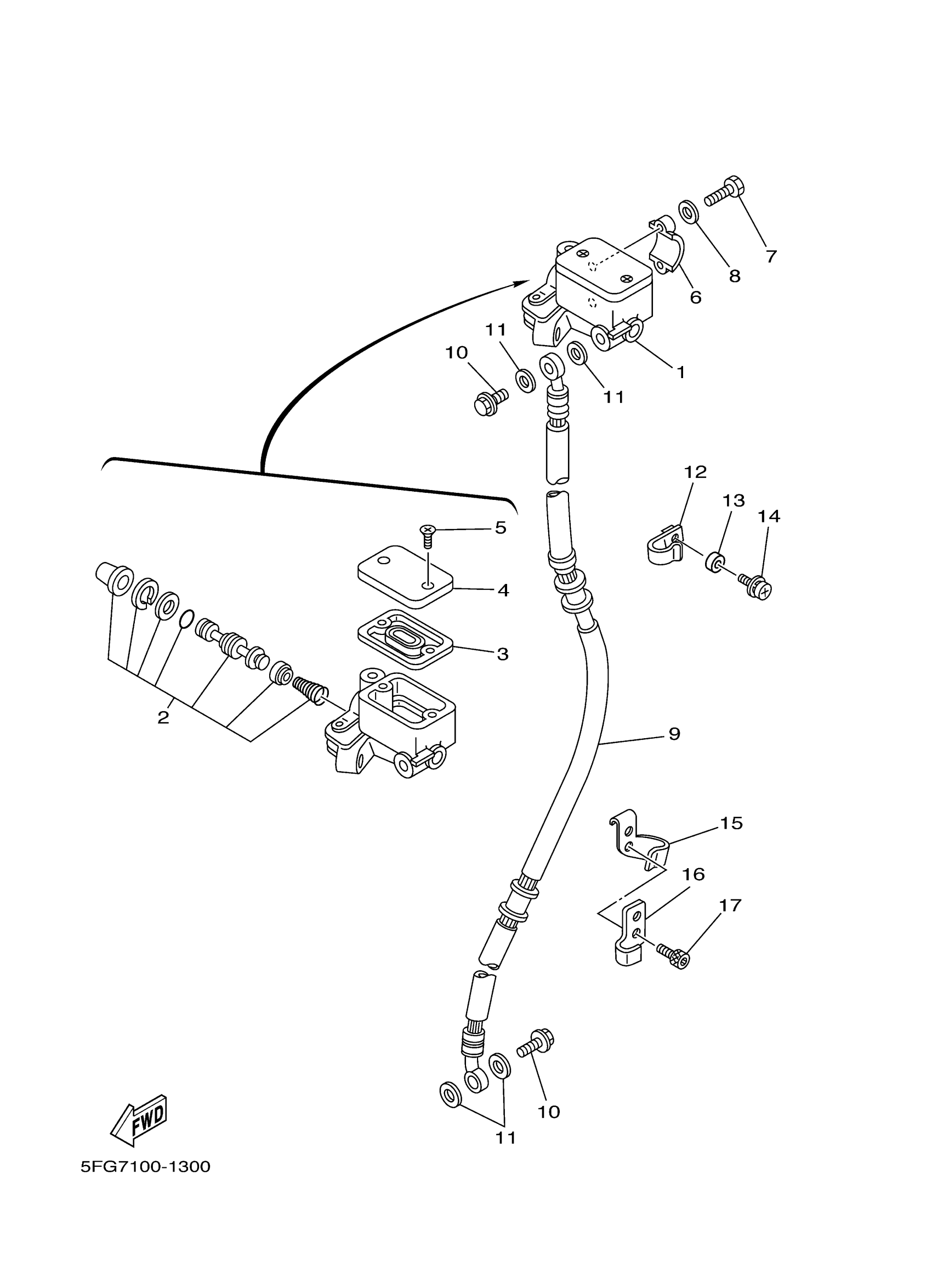
FRONT MASTER CYLINDER
Yamaha TTR225NC (TTR225 CA) 5FG8 2001 FRONT MASTER CYLINDER Diagram
#
Description
Price
1
MASTER CYLINDER SUB ASSY
39F-25870-00-00
Unavailable
6
BRACKET, MASTER CYLINDER
4L0-25867-00-00
Unavailable
11
WASHER, PLATE
90201-10886-00
Unavailable
12
HOLDER, BRAKE HOSE 1
4BN-F5875-00-00
Unavailable
13
WASHER, SPECIAL
4AN-F1515-10-00
Unavailable
14
BOLT, FLANGE
95817-06025-00
Unavailable
15
HOLDER, CABLE 1
4BN-F3318-00-00
Unavailable
16
PLATE, SUPPORT
5FG-F332U-00-00
Unavailable
17
BOLT,SOCKET
91317-06012-00
Unavailable
