- Partiron
- OEM Parts
- Yamaha
- motorcycle
- 2004
- TTR125S (TT-R125) 5HPP 2004
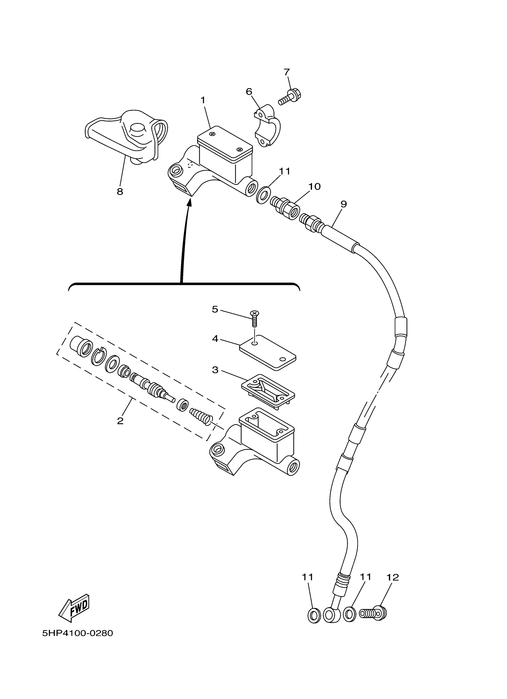
FRONT MASTER CYLINDER LS
Yamaha TTR125S (TT-R125) 5HPP 2004 FRONT MASTER CYLINDER LS Diagram
#
Description
Price
9
HOSE, BRAKE 1
5HP-25872-00-00
Unavailable
11
WASHER, PLATE(481)
90201-10118-00
Unavailable
