- Partiron
- OEM Parts
- Yamaha
- motorcycle
- 2000
- TTR125LM (TTR125L) 5HP4 2000
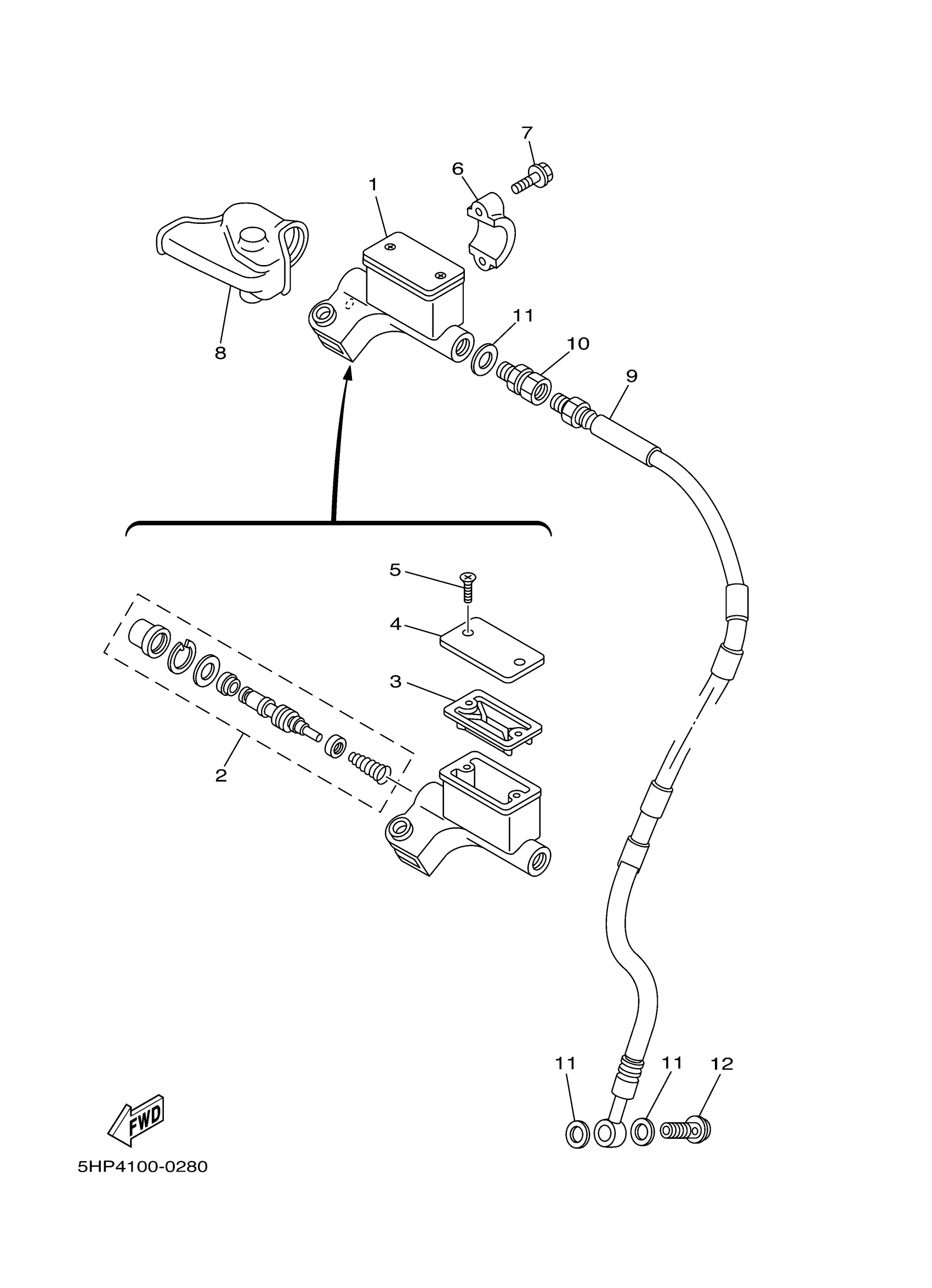
FRONT MASTER CYLINDER
Yamaha TTR125LM (TTR125L) 5HP4 2000 FRONT MASTER CYLINDER Diagram
#
Description
Price
9
HOSE, BRAKE 1
5HP-25872-00-00
Unavailable
11
WASHER, PLATE(481)
90201-10118-00
Unavailable
