Partiron

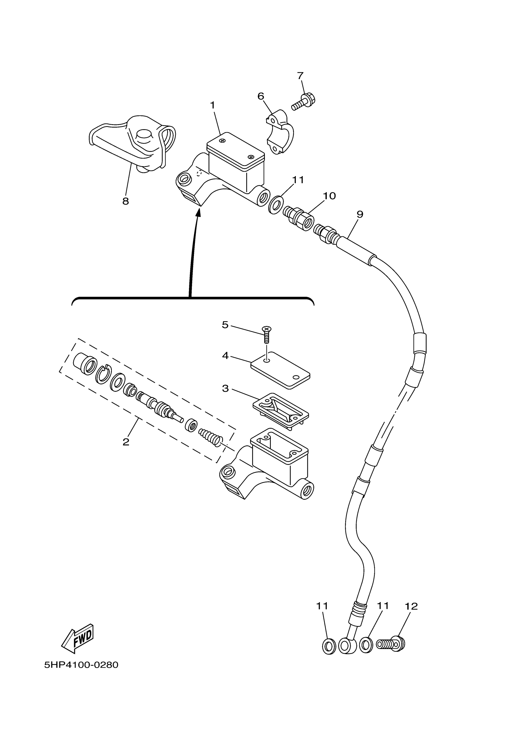
Yamaha TTR125LEV (TT-R125LE ELECTRIC) 1B2F 2006 FRONT MASTER CYLINDER LEV 1B2F Diagram

#

Description
Price

1

MASTER CYLINDER SUB ASSY

3SP-25870-01-00

$351.99

2

CYLINDER KIT, MASTER

3SP-W0041-00-00

$58.99

3

DIAPHRAGM, RESERVOIR

56A-25854-00-00

$38.99

4

CAP, RESERVOIR

2VN-25852-02-00

$16.49

5

SCREW, FLAT

98707-04012-00

$2.18

6

BRACKET, MASTER CYLINDER

56A-25867-00-00

$28.99

7

BOLT, SMALL FLANGE

95027-06025-00

$4.16

8

COVER, HANDLE LEVER 1

1B2-F6372-00-00

Unavailable

9

HOSE, BRAKE 1

5HP-25872-00-00

Unavailable

10

JOINT

3LC-25885-00-00

$28.99

11

WASHER, PLATE(481)

90201-10118-00

Unavailable

12

BOLT, UNION

90401-10172-00

$5.60