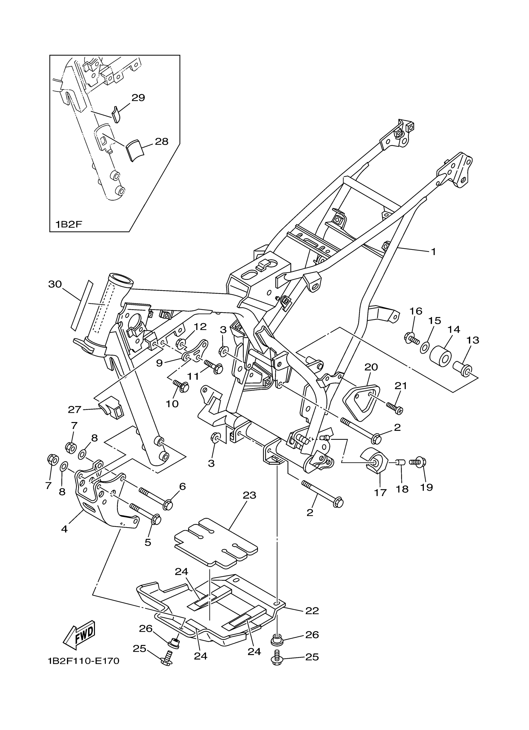
Yamaha TTR125LEV (TT-R125LE ELECTRIC) 1B2F 2006 FRAME Diagram
#
Description
Price
1
FRAME COMP.
1B2-F1110-10-00
Unavailable
1
FRAME COMP.
1B2-F1110-50-00
Unavailable
4
STAY, ENGINE 3
1B2-F1316-00-00
Unavailable
15
WASHER, PLATE(8AT)
90201-081R9-00
Unavailable
16
BOLT, SMALL FLANGE
95027-08012-00
Unavailable
17
TENSIONER SET
99999-04397-00
Unavailable
18
COLLAR(51L)
90387-067K6-00
Unavailable
19
BOLT, WITH WASHER(81H)
90119-06118-00
Unavailable
20
COVER
1B2-F117F-00-00
Unavailable
21
SCREW, BIND(1JK)
98980-06010-00
Unavailable
22
PROTECTOR, ENGINE
1B2-F1471-00-00
Unavailable
23
DAMPER, RUBBER 1
5HP-21485-00-00
Unavailable
24
SEAL
1B2-F1268-00-00
Unavailable
25
BOLT, FLANGE
95817-06016-00
Unavailable
26
COLLAR (8G8)
90387-06681-00
Unavailable
27
COVER 4
1B2-F117R-00-00
Unavailable
28
DAMPER, 2
1B2-F4849-00-00
Unavailable
29
DAMPER
5HN-2139X-00-00
Unavailable
30
PLATE, EPA
1B2-2179C-01-00
Unavailable
