- Partiron
- OEM Parts
- Yamaha
- motorcycle
- 2003
- TTR125LER (TTR125LE) 5HPM 2003
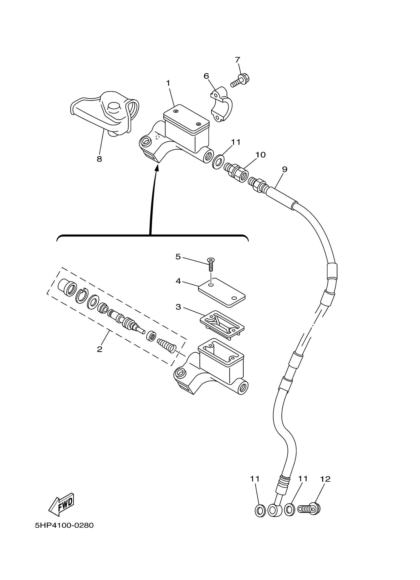
FRONT MASTER CYLINDER
Yamaha TTR125LER (TTR125LE) 5HPM 2003 FRONT MASTER CYLINDER Diagram
#
Description
Price
9
HOSE, BRAKE 1
5HP-25872-00-00
Unavailable
11
WASHER, PLATE(481)
90201-10118-00
Unavailable
