- Partiron
- OEM Parts
- Yamaha
- motorcycle
- 2022
- TTR125LENC (TTR125LE CA) 2PTV 2022
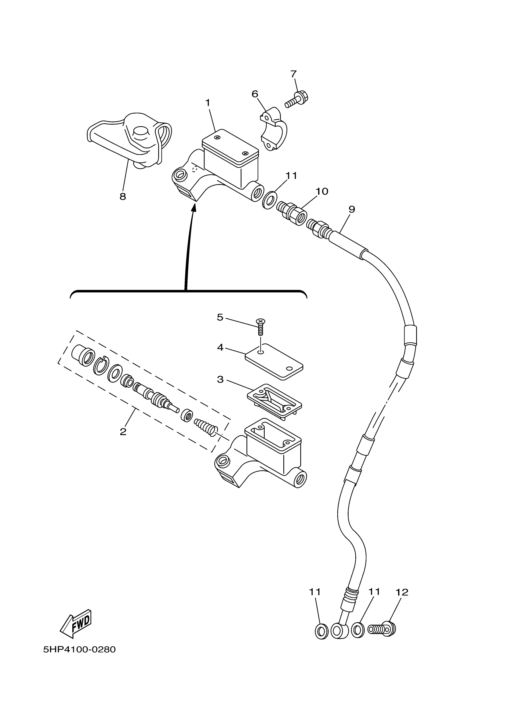
FRONT MASTER CYLINDER
Yamaha TTR125LENC (TTR125LE CA) 2PTV 2022 FRONT MASTER CYLINDER Diagram
#
Description
Price
8
COVER, HANDLE LEVER 1
1B2-F6372-00-00
Unavailable
11
WASHER, PLATE(481)
90201-10118-00
Unavailable
