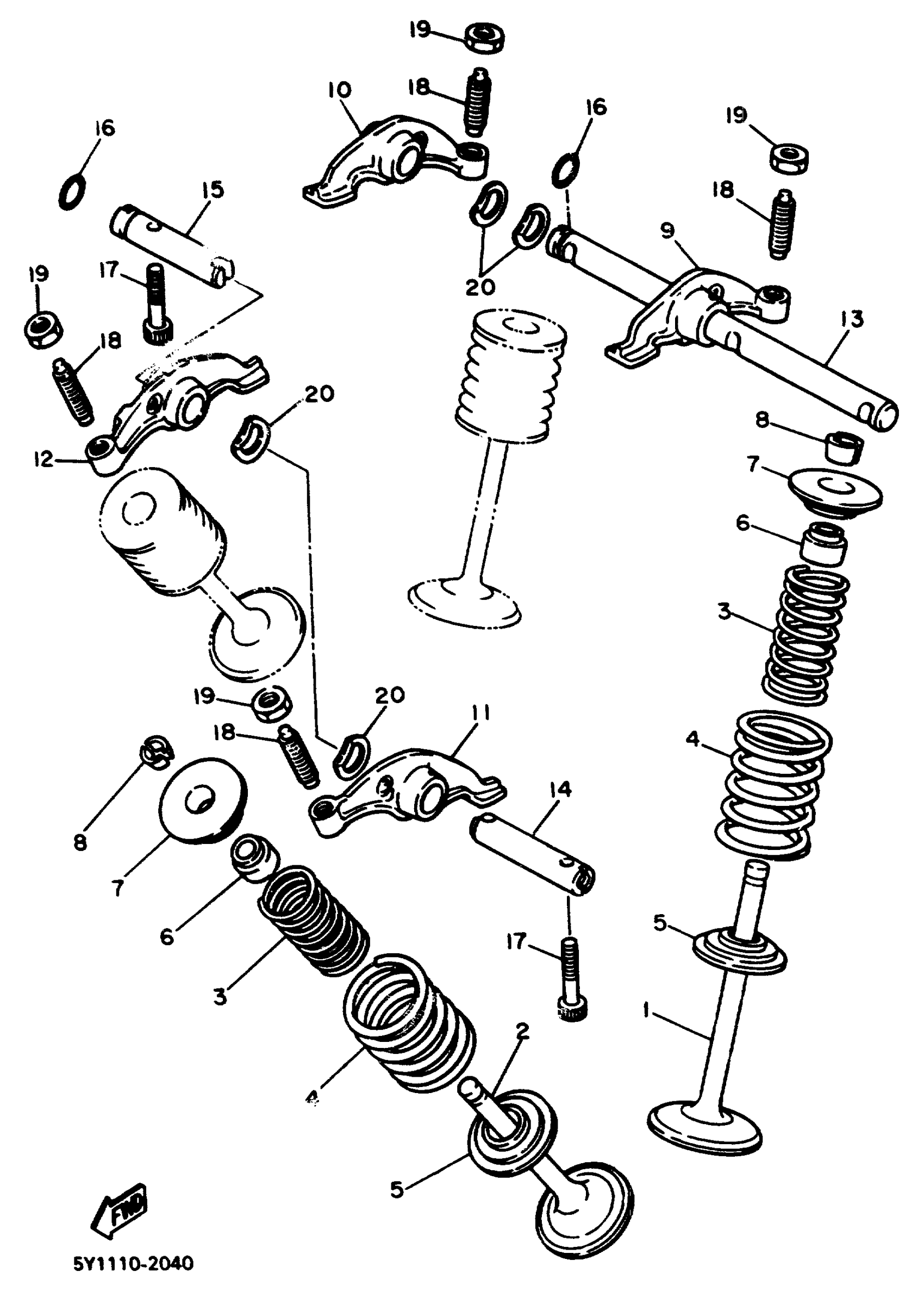
Yamaha TT600S (TT600) 1986 VALVE Diagram
#
Description
Price
1
VALVE, INTAKE
5Y1-12111-00-00
Unavailable
2
VALVE, EXHAUST
34K-12121-00-00
Unavailable
3
SPRING, VALVE INNER
5Y1-12113-00-00
Unavailable
5
SEAT, VALVE SPRING
4H7-12116-00-00
Unavailable
7
RETAINER, VALVE SPRING
2F3-12117-00-00
Unavailable
9
ARM, VALVE ROCKER
34K-12151-00-00
Unavailable
10
ARM, VALVE ROCKER 2
34K-12161-00-00
Unavailable
11
ARM,VALVE ROCKER 3
34K-12162-00-00
Unavailable
12
ARM, VALVE ROCKER 4
34K-12163-00-00
Unavailable
13
SHAFT, ROCKER
2NX-12146-00-00
Unavailable
14
SHAFT, ROCKER
5Y1-12156-00-00
Unavailable
15
SHAFT, ROCKER 3
5Y1-12166-00-00
Unavailable
16
O-RING (5Y1)
93210-08521-00
Unavailable
17
BOLT, HEXAGON SOCKET HEAD(1VJ)
90110-06138-00
Unavailable
18
SCREW, VALVE ADJUSTING
2NX-12159-00-00
Unavailable
19
NUT HEXAGON 371121580000
90170-06128-00
Unavailable
20
WASHER, WAVE (17W)
90206-12074-00
Unavailable
