Partiron

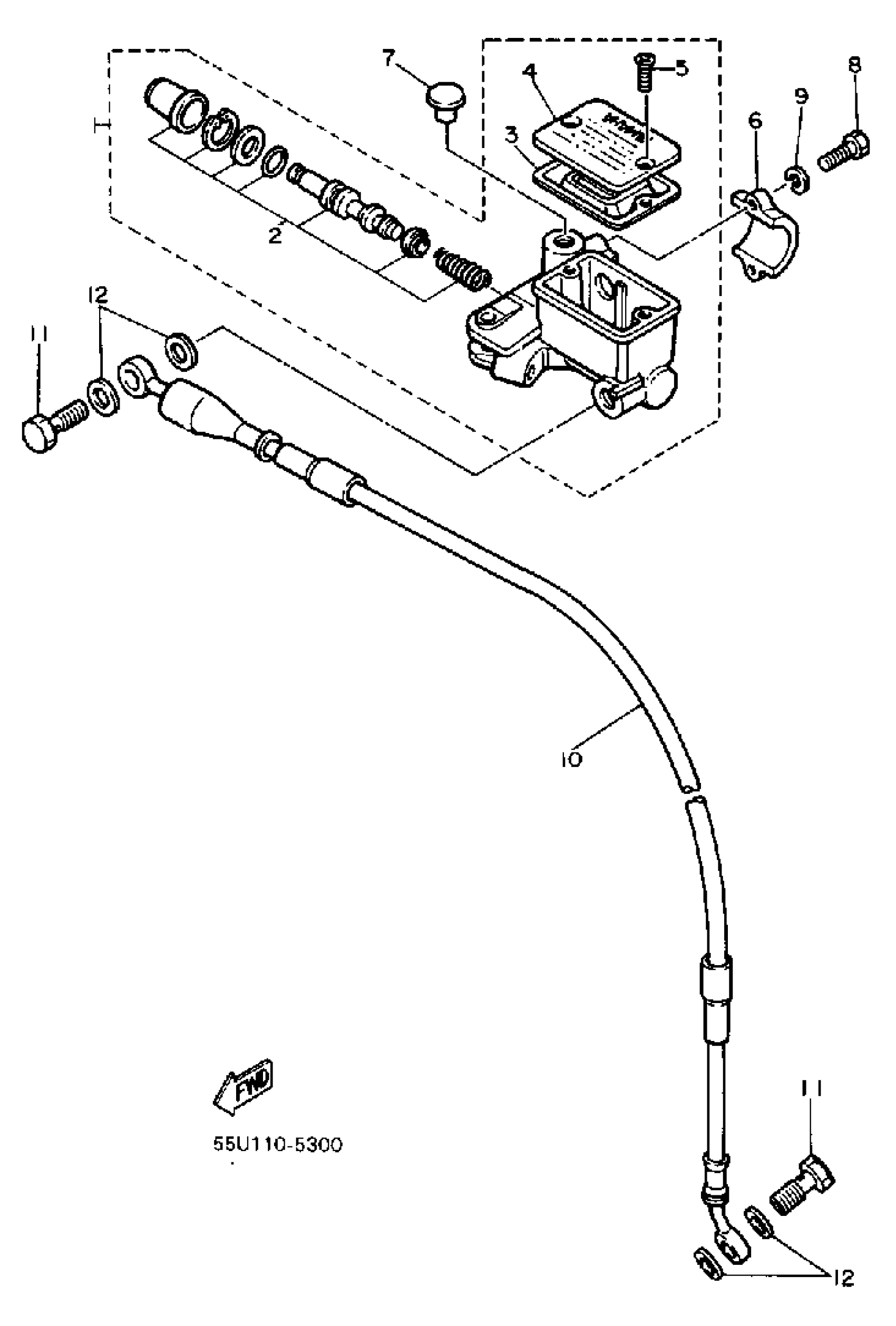
Yamaha TT600S (TT600) 1986 FRONT MASTER CYLINDER Diagram

#

Description
Price

1

MSTR.CYL.SUB.ASSY.

3AX-25870-00-00

Unavailable

2

CYLINDER KIT, MASTER

56A-W0041-00-00

$69.99

3

DIAPHRAGM, RESERVOIR

55U-25854-00-00

$27.99

4

CAP, RESERVOIR (FRONT)

2KF-25852-02-00

Unavailable

5

SCREW, FLAT

98707-04012-00

$2.18

6

BRACKET, MASTER CYLINDER

56A-25867-00-00

$28.99

7

PLUG (341-26329-00)

90338-09012-00

$9.49

8

BOLT, HEXAGON

97017-06025-00

$4.24

9

WASHER, SPRING

92907-06100-00

$4.25

10

HOSE, BRAKE 1

55U-25872-00-00

Unavailable

11

BOLT, UNION(3GM)

90401-10159-00

$11.49

12

WASHER, PLATE(481)

90201-10118-00

Unavailable