- Partiron
- OEM Parts
- Yamaha
- motorcycle
- 1985
- TT600N (TT600) 1985
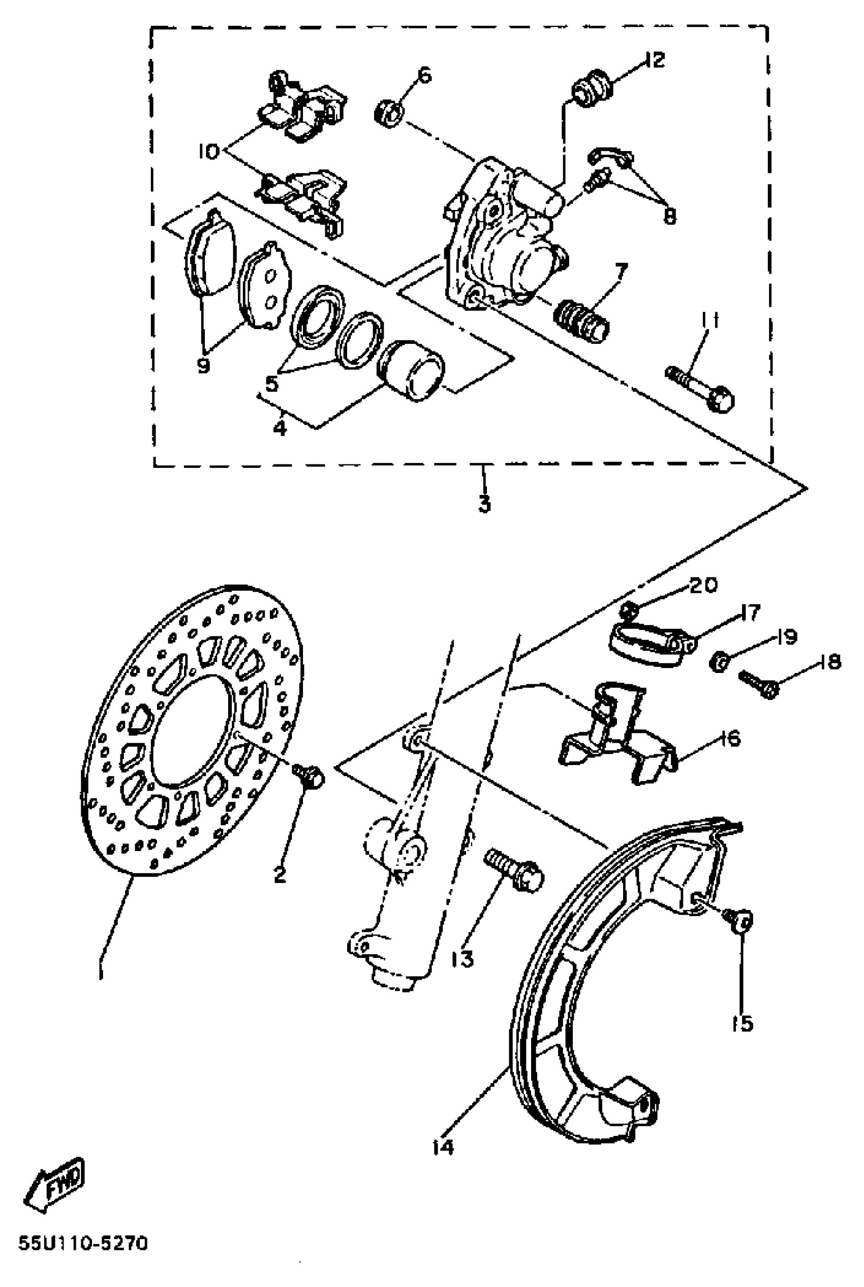
FRONT BRAKE-CALIPER
Yamaha TT600N (TT600) 1985 FRONT BRAKE-CALIPER Diagram
#
Description
Price
1
DISC,BRAKE
55U-2582T-00-00
Unavailable
2
BOLT
90109-06757-00
Unavailable
3
CALIPER ASSEMBLY
55U-25810-10-00
Unavailable
10
SUPPORT, PAD
34X-25919-00-00
Unavailable
14
COVER 1
55U-25715-00-00
Unavailable
15
SCREW(36F)
90149-06194-00
Unavailable
16
COVER 2
55U-25716-00-00
Unavailable
17
BAND
55U-25719-00-00
Unavailable
18
SCREW, PAN HEAD(6B0)
97885-05016-00
Unavailable
19
WASHER, PLAIN (646)
92990-05600-00
Unavailable
20
NUT, HEXAGON (663)
95380-05600-00
Unavailable
