- Partiron
- OEM Parts
- Yamaha
- motorcycle
- 1983
- TT600K (TT600) 1983
ELECTRICAL 1
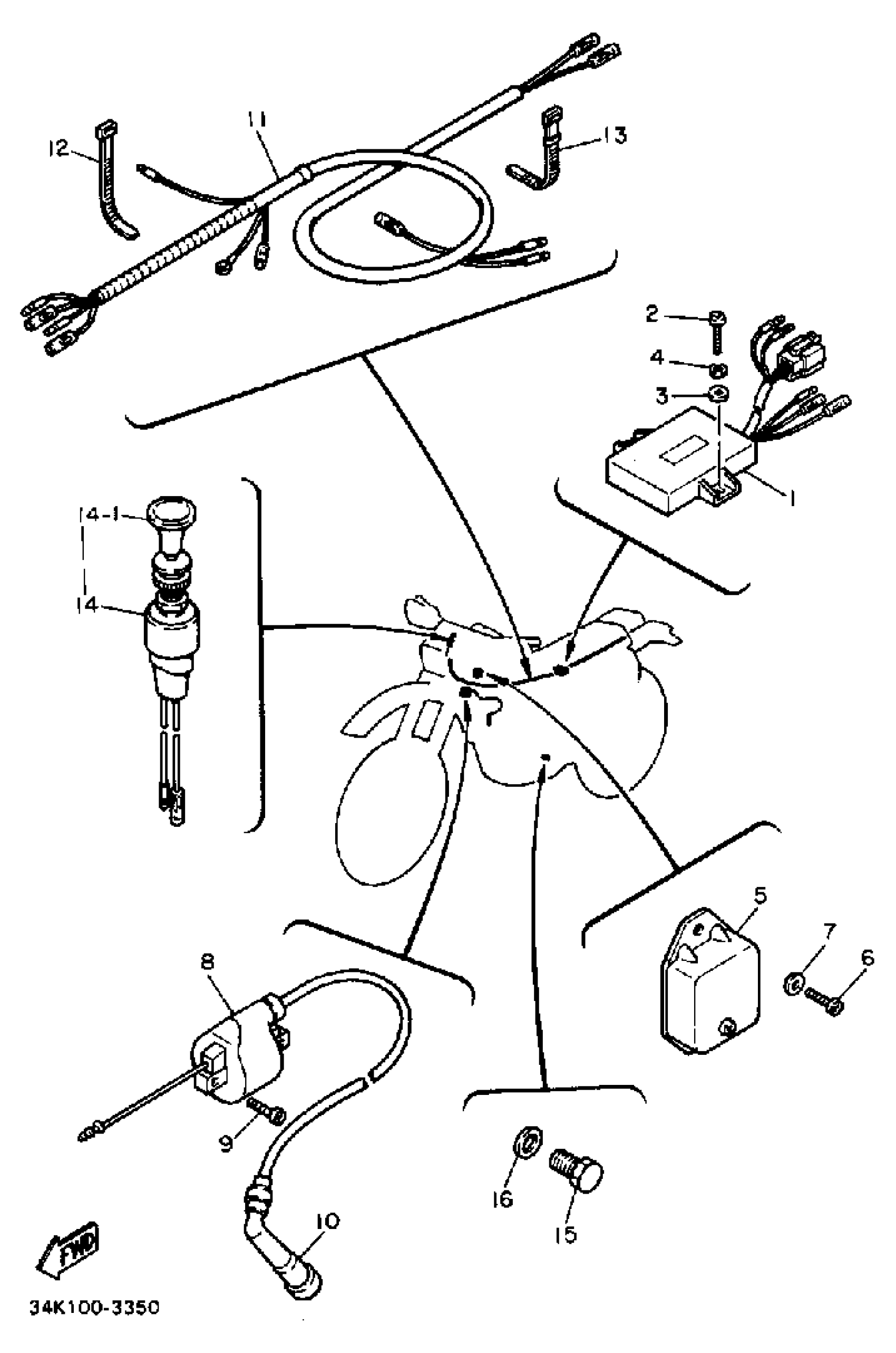
Yamaha TT600K (TT600) 1983 ELECTRICAL 1 Diagram
#
Description
Price
1
C.D.I. UNIT ASSY
2WK-85540-50-00
Unavailable
4
WASHER, SPRING
92995-06100-00
Unavailable
5
VOLTAGE REG ASY
443-81910-62-00
Unavailable
6
SCREW, PAN HEAD(62J)
97885-06012-00
Unavailable
8
IGNITION COIL ASSEMBLY
43F-82310-51-00
Unavailable
11
WIRE HARNESS ASSEMBLYASSY
34K-82590-00-00
Unavailable
14
LIGHT SWITCH ASSEMBLY
4V5-82520-00-00
Unavailable
16
GASKET (5R6)
90430-10171-00
Unavailable
