- Partiron
- OEM Parts
- Yamaha
- motorcycle
- 1981
- TT500H (TT500) 1981
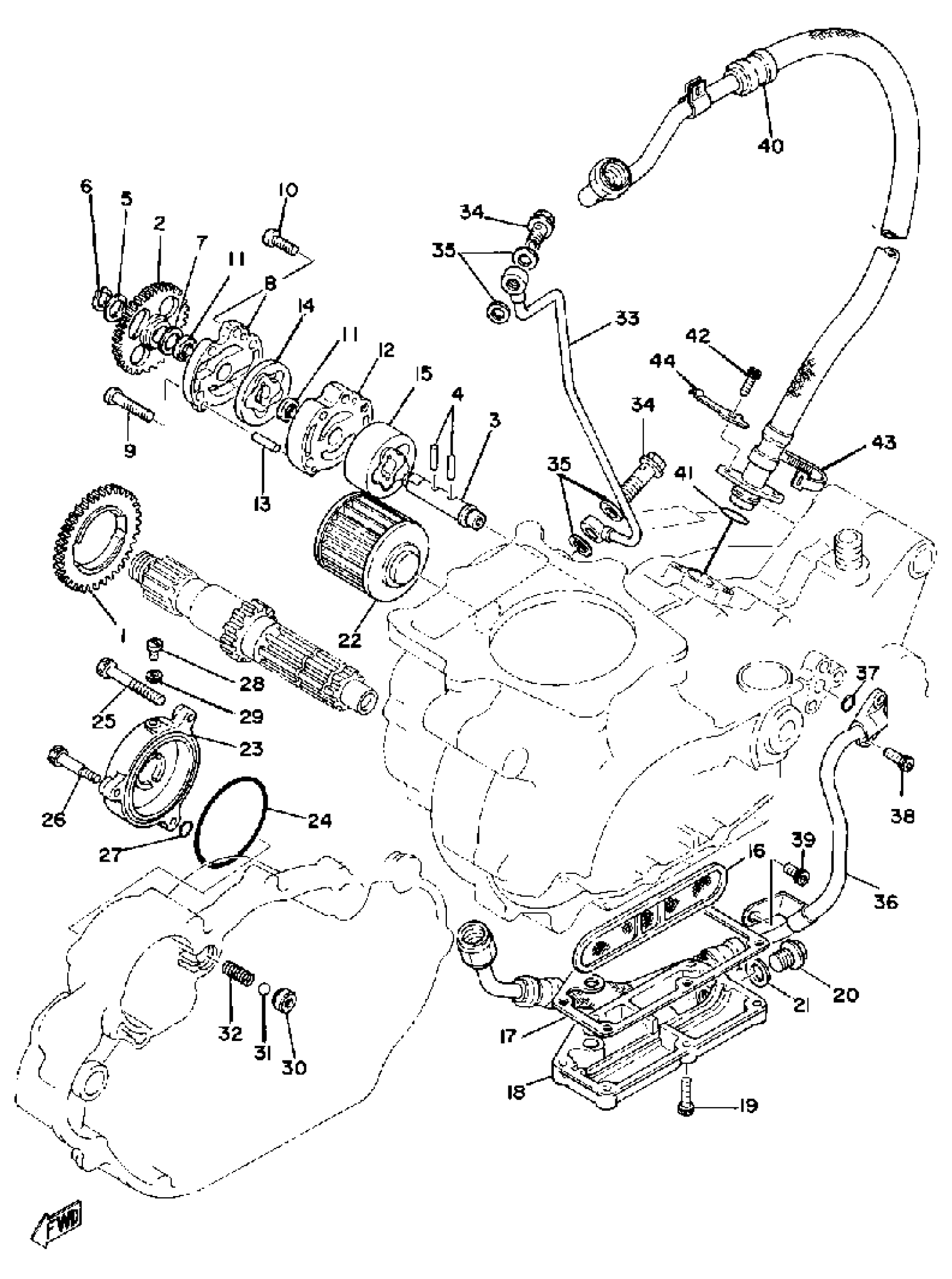
OIL PUMP-OIL CLEANER
Yamaha TT500H (TT500) 1981 OIL PUMP-OIL CLEANER Diagram
#
1
GEAR, DRIVE
583-13324-00-00
Unavailable
2
GEAR, DRIVEN
583-13325-00-00
Unavailable
3
SHAFT, PUMP
583-13314-01-00
Unavailable
5
WASHER, PLAIN(735)
90201-10119-00
Unavailable
8
COVER & HOUSING COMP, OIL PUMP
99999-00996-00
Unavailable
9
SCREW, PAN HEAD(6E0)
97885-06030-00
Unavailable
10
SCREW, PAN HEAD(6E5)
97880-06018-00
Unavailable
12
COVER & HOUSING COMP, OIL PUMP
99999-00996-00
Unavailable
14
ROTOR 1 ASSY
583-13310-01-00
Unavailable
15
ROTOR 2 ASSY
583-13320-00-00
Unavailable
16
STRAINER, OIL
583-13411-00-00
Unavailable
17
GASKET, STRAINER COVER
3HT-13414-00-00
Unavailable
18
COVER, STRAINER
583-13417-01-00
Unavailable
19
BOLT,SOCKET
91317-06020-00
Unavailable
20
PLUG, STRAIGHT SCREW(3FA)
90340-14132-00
Unavailable
21
GASKET
214-11198-01-00
Unavailable
22
ELEMENT ASSY, OIL CLEANER
4X7-13440-90-00
Unavailable
23
COVER, OIL ELEMENT
583-13447-01-00
Unavailable
24
O-RING (583 OIL CLEANER)
93210-64297-00
Unavailable
25
BOLT,SOCKET
91317-06060-00
Unavailable
26
BOLT (2H0)
90109-06511-00
Unavailable
27
O-RING
93210-07438-00
Unavailable
28
SCREW (583)
90149-05110-00
Unavailable
29
GASKET
90430-05126-00
Unavailable
30
SEAT, CHECK BALL
583-13113-00-00
Unavailable
31
BALL
93503-08007-00
Unavailable
32
SPRING (583 OIL CLEANER)
90501-05378-00
Unavailable
33
PIPE, DELIVERY 1
583-13161-01-00
Unavailable
34
BOLT, UNION
90401-08006-00
Unavailable
35
WASHER, PLATE 3411117500
90201-08087-00
Unavailable
36
HOSE, OIL 1
583-13464-00-00
Unavailable
37
O-RING (371)
93210-10197-00
Unavailable
38
BOLT,SOCKET
91317-06016-00
Unavailable
39
BOLT,SOCKET
91317-06012-00
Unavailable
40
HOSE, OIL 2
583-13465-02-00
Unavailable
41
O-RING (341)
93210-15171-00
Unavailable
42
BOLT,SOCKET
91317-06016-00
Unavailable
43
BAND, SWITCH CORD
437-83936-01-00
Unavailable
44
CLAMP
90465-06077-00
Unavailable
