- Partiron
- OEM Parts
- Yamaha
- motorcycle
- 1981
- TT500H (TT500) 1981
ELECTRICAL 1
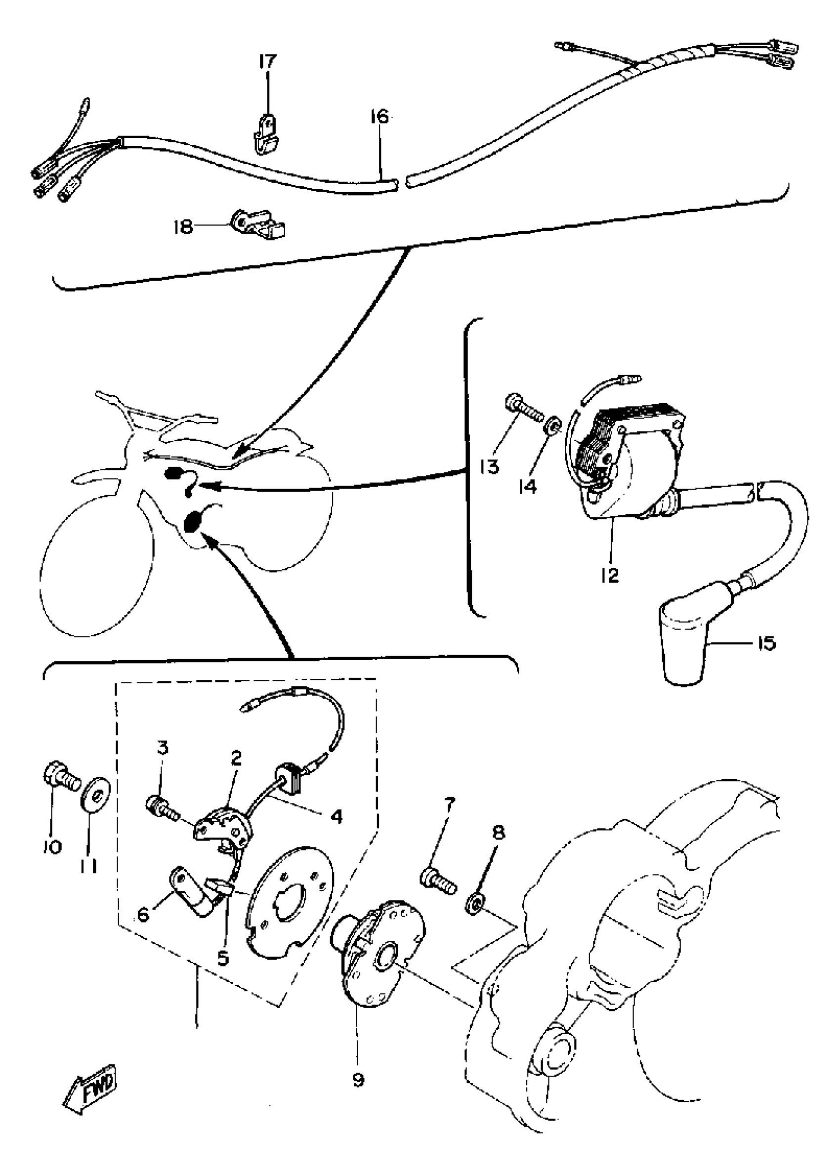
Yamaha TT500H (TT500) 1981 ELECTRICAL 1 Diagram
#
Description
Price
1
BREAKER PLATE ASSEMBLY
583-81620-50-00
Unavailable
3
. SCREW, PAN HEAD
98580-04006-00
Unavailable
4
. WIRE, LEAD
583-81615-50-00
Unavailable
5
. LUBRICATOR
1L9-81631-50-00
Unavailable
9
GOVERNOR ASSEMBLY
583-81653-50-00
Unavailable
12
IGNITION COIL ASSEMBLY
583-82310-50-00
Unavailable
15
PLUG CAP ASSY
56J-82370-00-00
Unavailable
16
WIRE HARNESS ASSEMBLY
2Y0-82590-00-00
Unavailable
17
CLAMP
(90465-06086-00)
Unavailable
18
CLAMP
90465-10090-00
Unavailable
