- Partiron
- OEM Parts
- Yamaha
- motorcycle
- 1980
- TT500G (TT500) 1980
REAR ARM - SUSPENSION
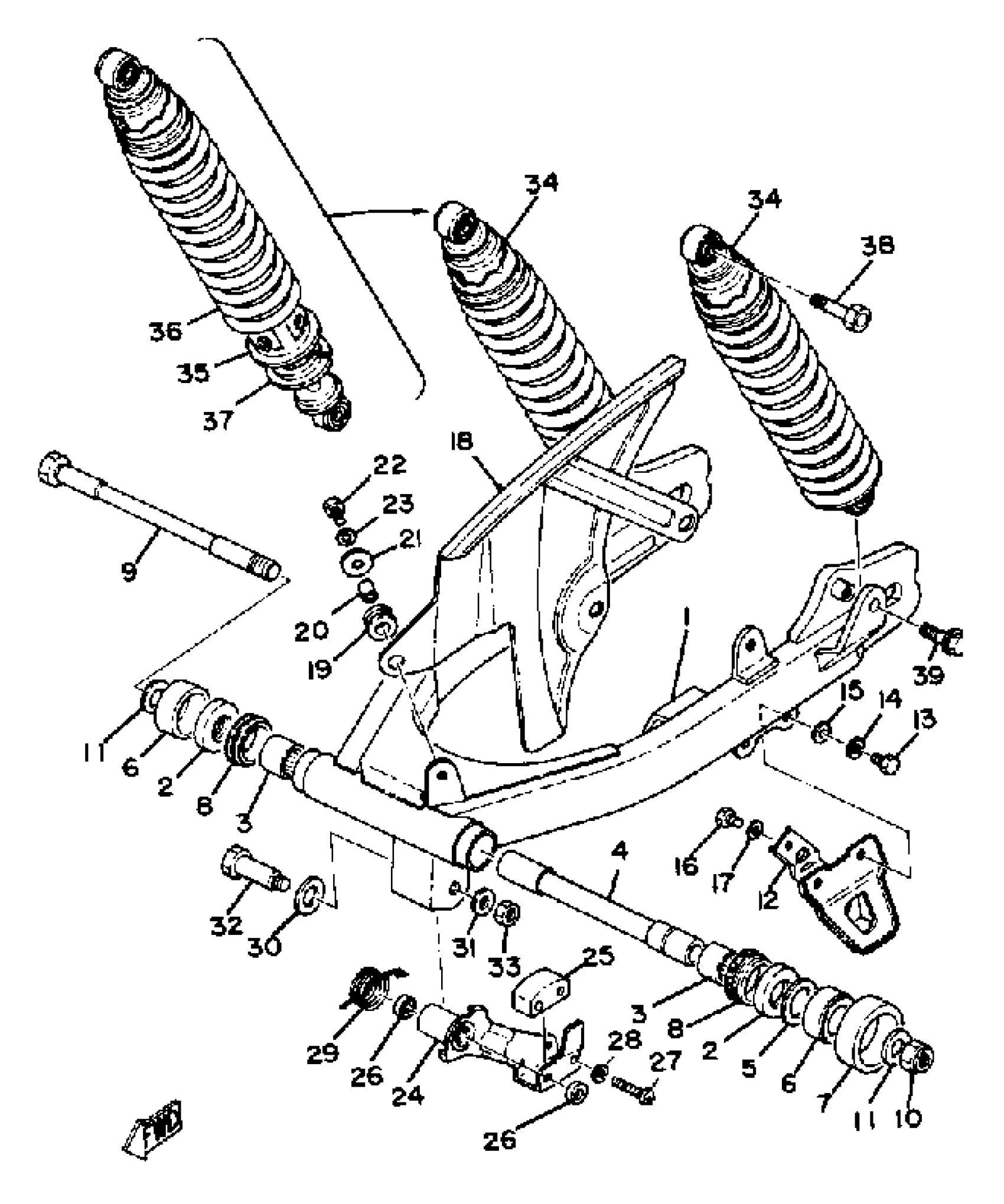
Yamaha TT500G (TT500) 1980 REAR ARM - SUSPENSION Diagram
#
1
REAR ARM
(2Y0-22110-01-35)
Unavailable
4
BUSH 2
483-22124-00-00
Unavailable
9
SHAFT, PIVOT
583-22141-01-00
Unavailable
12
GUARD, CHAIN
(2Y0-22153-00-33)
Unavailable
14
WASHER, SPRING
92995-06100-00
Unavailable
16
BOLT, HEXAGON DEEP RECESS
97D95-06016-00
Unavailable
17
WASHER, SPRING
92995-06100-00
Unavailable
18
CASE, CHAIN
2Y0-22311-01-33
Unavailable
19
GROMMET
90480-12529-00
Unavailable
20
SPACER
90560-05001-00
Unavailable
21
WASHER, PLATE
90201-06747-00
Unavailable
22
BOLT, HEXAGON
97313-05014-00
Unavailable
23
YBS67-5 WASHER, SPRING
92990-05100-00
Unavailable
24
ARM, TENSIONER
2Y0-22179-00-00
Unavailable
25
TENSIONER (2N0-22178-00-00)
ACC-11130-00-25
Unavailable
26
OIL SEAL (2K8)
93109-14021-00
Unavailable
27
SCREW, PAN
98507-05040-00
Unavailable
28
YBS67-5 WASHER, SPRING
92990-05100-00
Unavailable
29
SPRING, TORSION
90508-35387-00
Unavailable
30
WASHER PLATE 148272190000
90201-14215-00
Unavailable
31
WASHER, PLATE (3J6)
90201-100A1-00
Unavailable
32
BOLT (1J4)
90109-10483-00
Unavailable
33
NUT (682)
95380-10700-00
Unavailable
34
SHOCK ABSORBER ASSY, REAR
3H7-22210-00-00
Unavailable
35
. COVER
1T1-22211-00-00
Unavailable
36
SPRING
(1T1-22212-00-00)
Unavailable
37
. GUIDE, SPRING 1
583-22214-00-00
Unavailable
38
BOLT (583 REAR CUSHION)
90109-10420-00
Unavailable
39
BOLT (4R4)
90105-10188-00
Unavailable
