- Partiron
- OEM Parts
- Yamaha
- motorcycle
- 1980
- TT500G (TT500) 1980
CRANKSHAFT - PISTON
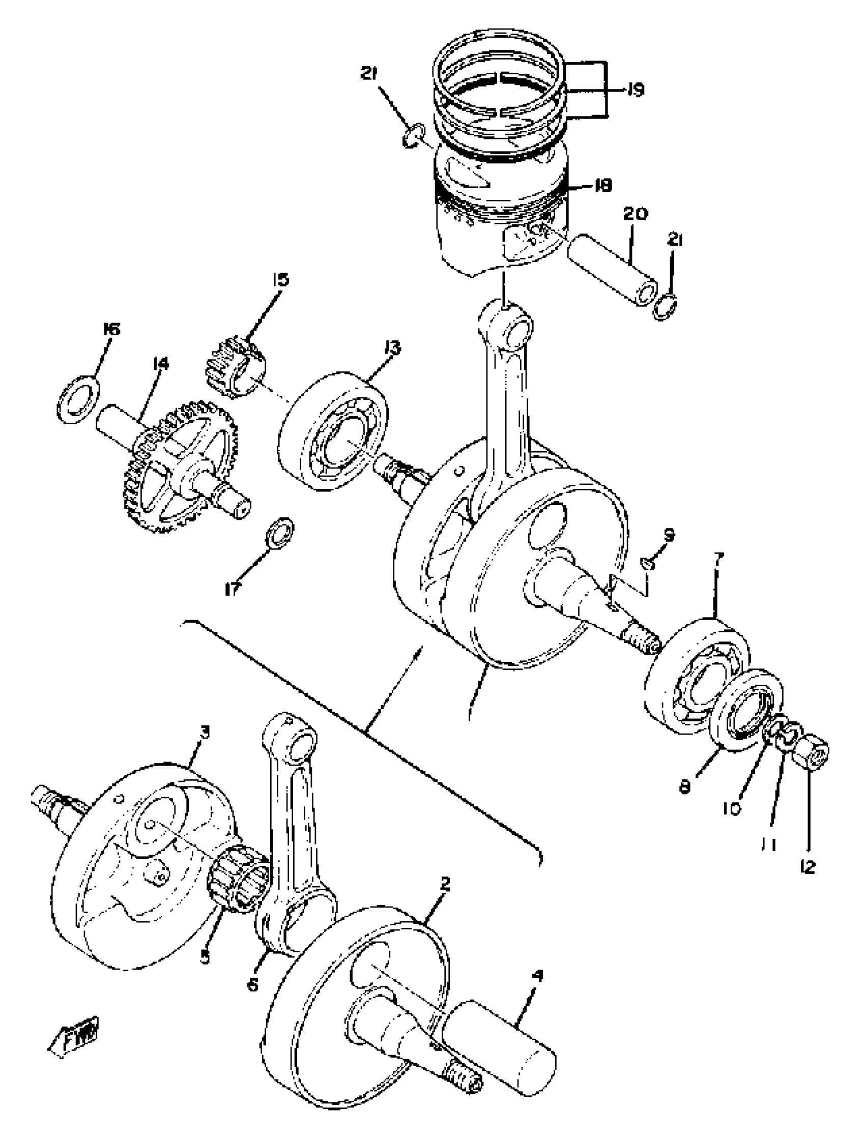
Yamaha TT500G (TT500) 1980 CRANKSHAFT - PISTON Diagram
#
Description
Price
1
CRANKSHAFT ASSEMBLY
(583-11400-00-00)
Unavailable
2
CRANK 1
(583-11412-00-00)
Unavailable
3
CRANK 2
(583-11422-00-00)
Unavailable
6
ROD, CONNECTING
583-11651-00-00
Unavailable
14
BREAKER SHAFT ASSEMBLY
583-11150-00-00
Unavailable
15
GEAR, DRIVE (21T)
583-11536-00-00
Unavailable
16
WASHER PLATE 278156130000
90201-15234-00
Unavailable
17
WASHER, PLATE
90201-09572-00
Unavailable
18
PISTON (STD) 0.95
583-11631-02-95
Unavailable
18
PISTON (1ST O/S)
583-11635-02-00
Unavailable
18
PISTON (2ND O/S)
583-11636-02-00
Unavailable
18
PISTON 3 O/S 0.75
583-11637-02-00
Unavailable
18
PISTON 4 O/S 1.00
583-11638-02-00
Unavailable
19
PISTON RING SET
583-11610-02-00
Unavailable
19
PISTON RING SET (1ST O/S)
583-11610-12-00
Unavailable
19
PISTON RING SET (2ND O/S)
583-11610-22-00
Unavailable
19
PISTON RINGSET 3RD (583-11610-31)
583-11610-32-00
Unavailable
19
PISTON RINGSET 4TH (4TH O/S)
583-11610-42-00
Unavailable
20
PIN, PISTON
583-11633-00-00
Unavailable
21
CIRCLIP 341116340000
93450-22027-00
Unavailable
