- Partiron
- OEM Parts
- Yamaha
- motorcycle
- 1980
- TT500G (TT500) 1980
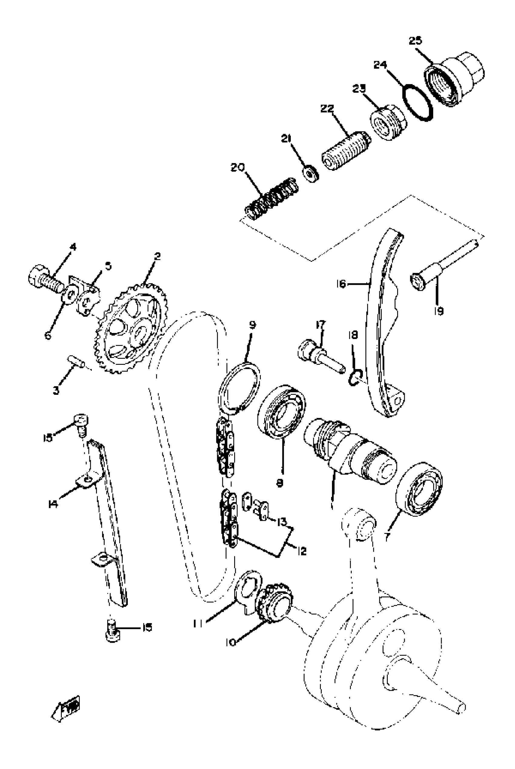
CAMSHAFT - CHAIN
Yamaha TT500G (TT500) 1980 CAMSHAFT - CHAIN Diagram
#
Description
Price
1
CAMSHAFT 1
583-12171-02-00
Unavailable
5
PLATE
1T1-12279-00-00
Unavailable
10
SPROCKET, CAM CHAIN DRIVE
583-11549-00-00
Unavailable
14
GUIDE, STOPPER 1
583-12231-01-00
Unavailable
16
GUIDE, STOPPER 2
341-12241-04-00
Unavailable
17
SHAFT, CHAIN TENSIONER
583-12247-00-00
Unavailable
18
O-RING (256)
93210-12152-00
Unavailable
19
ROD, CHAIN TENSIONER
583-12217-00-00
Unavailable
20
SPRING COMPRESSION341122160200
90501-14095-00
Unavailable
21
DAMPER, CHAIN TENSIONER ROD
2H0-12232-00-00
Unavailable
22
SCREW (34F)
90149-18191-00
Unavailable
23
NUT (583 CHAIN TENSIONER)
90179-18199-00
Unavailable
24
O-RING (341)
93210-32172-00
Unavailable
25
CAP, CHAIN TENSIONER
583-12212-00-00
Unavailable
