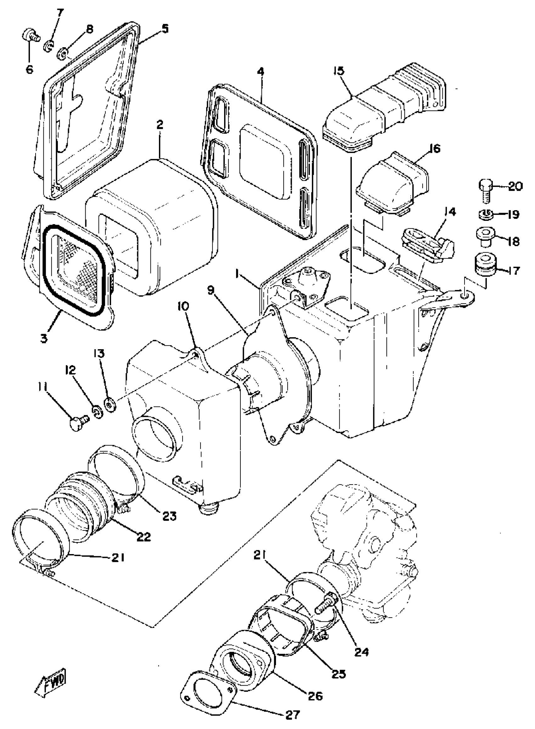
Yamaha TT500F (TT500) 1979 INTAKE Diagram
#
Description
Price
1
CASE, AIR CLEANER 1
583-14411-01-00
Unavailable
3
PLATE, ELEMENT FTNG
583-14468-01-00
Unavailable
4
PLATE, ELEMENT
583-14472-00-00
Unavailable
5
CAP, CLEANER CASE 2
583-14422-00-00
Unavailable
9
PIPE, JOINT
583-14485-00-00
Unavailable
10
CASE, AIR CLEANER 2
583-14421-00-00
Unavailable
12
WASHER, SPRING
92995-06100-00
Unavailable
14
DUCT
1T1-14437-00-00
Unavailable
15
SILENCER, INTAKE 1
583-14431-00-00
Unavailable
16
SILENCER, INTAKE 2
1T1-14441-00-00
Unavailable
17
GROMMET 839774310000
90480-14023-00
Unavailable
18
COLLAR 437216330000
90387-07391-00
Unavailable
19
WASHER, SPRING
92995-06100-00
Unavailable
20
BOLT, HEXAGON
97017-06025-00
Unavailable
21
HOSE CLAMP ASSY
90450-58002-00
Unavailable
22
JOINT, AIR CLEANER 1
583-14453-01-00
Unavailable
23
HOSE CLAMP ASSY
90450-62006-00
Unavailable
24
BOLT,SOCKET
91317-06025-00
Unavailable
25
COVER,JOINT
256-13564-00-00
Unavailable
26
JOINT, MANIFOLD
583-13565-01-00
Unavailable
27
GASKET, MANIFOLD
3HT-13556-00-00
Unavailable
