- Partiron
- OEM Parts
- Yamaha
- motorcycle
- 1978
- TT500E (TT500) 1978
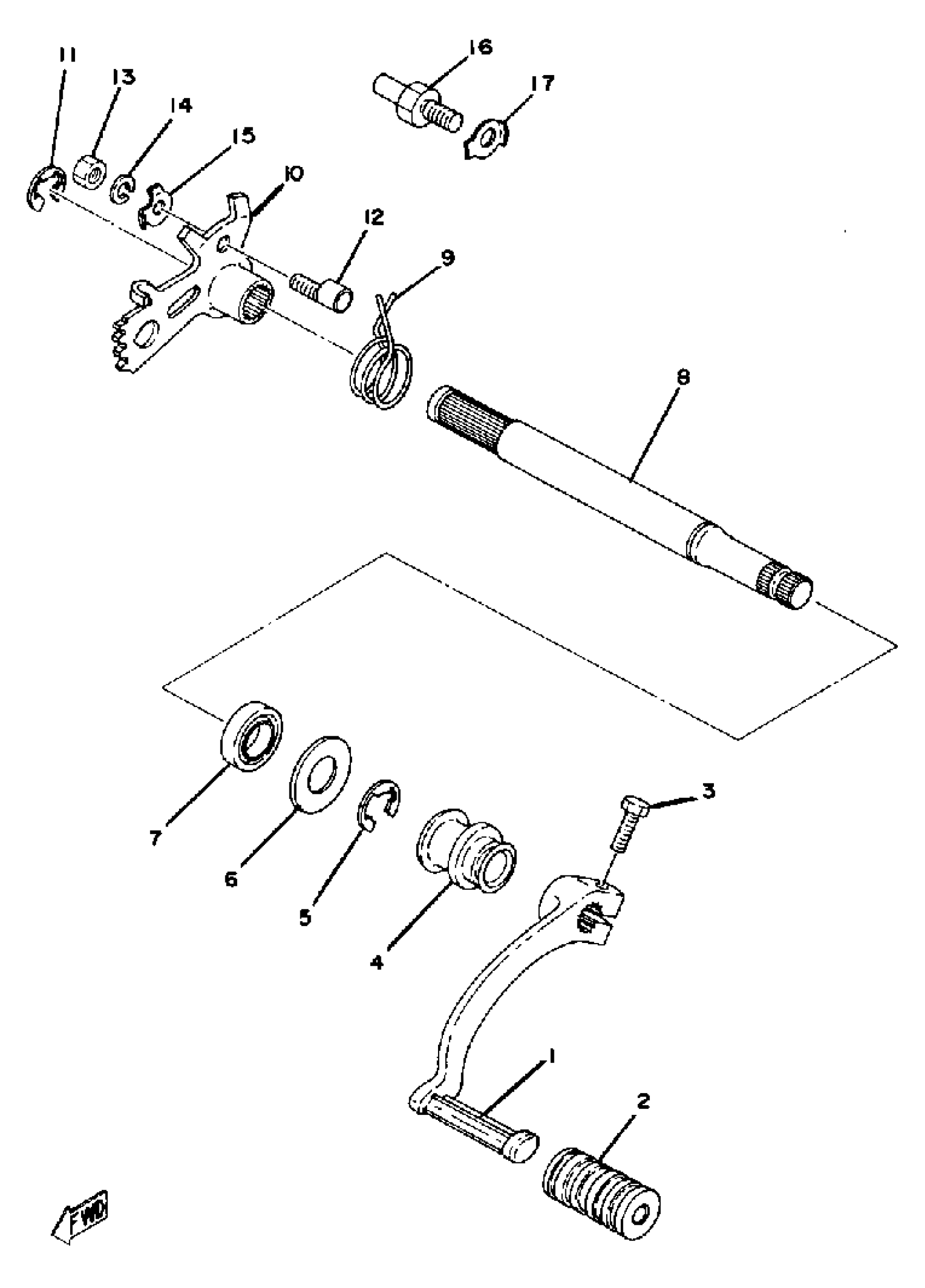
SHIFT SHAFT
Yamaha TT500E (TT500) 1978 SHIFT SHAFT Diagram
#
Description
Price
1
PEDAL, SHIFT
3UL-18111-00-00
Unavailable
5
. CIRCLIP
99001-12600-00
Unavailable
8
SHAFT, SHIFT
583-18125-00-00
Unavailable
10
LEVER, CHANGE 1
434-18121-00-00
Unavailable
13
NUT, HEXAGON
95380-06600-00
Unavailable
14
WASHER, SPRING
92995-06100-00
Unavailable
16
STOPPER, SCREW
278-18127-01-00
Unavailable
17
WASHER, LOCK (583 SHIFT)
90215-08115-00
Unavailable
