- Partiron
- OEM Parts
- Yamaha
- motorcycle
- 1976
- TT500C (TT500) 1976
CYLINDER HEAD
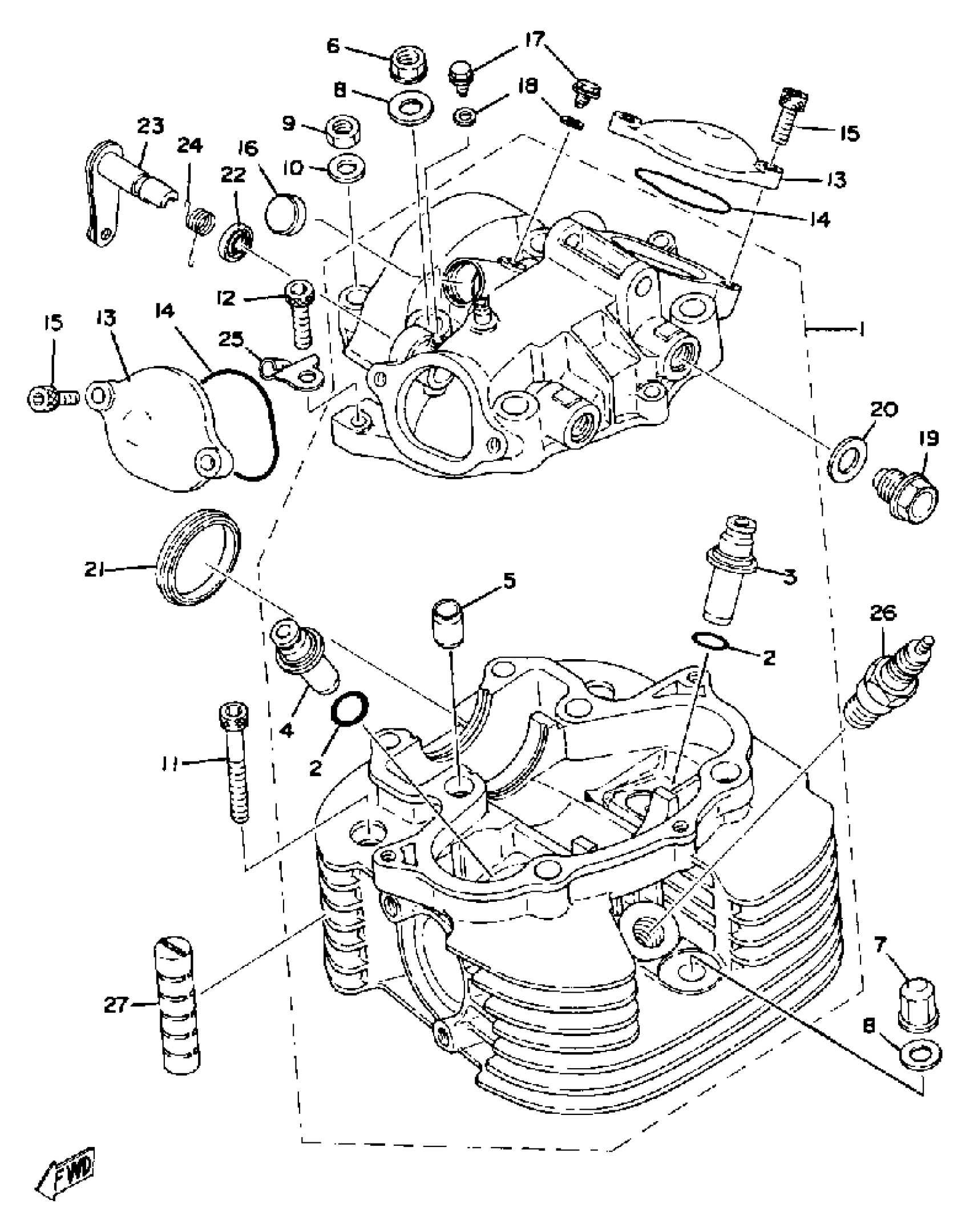
Yamaha TT500C (TT500) 1976 CYLINDER HEAD Diagram
#
Description
Price
1
CYLINDER HEAD ASSEMBLY
(99999-00953-00)
Unavailable
4
. GDE, EXST VLV 1 O/S (1ST OS)
583-11134-11-00
Unavailable
10
.. WASHER, PLATE
92990-08600-00
Unavailable
13
COVER, CYLINDER. HEAD 2
583-11186-00-00
Unavailable
16
PLUG (583)
90338-18067-00
Unavailable
17
BOLT (583 TACHOMETER)
90109-06418-00
Unavailable
18
GASKET 256113960000
90430-06014-00
Unavailable
19
PLUG (583 ROCKER SHAFT)
90340-14038-00
Unavailable
20
GASKET 256131670000
90430-14043-00
Unavailable
21
PLUG, SPEC''L SHAPE
90338-47065-00
Unavailable
22
OIL SEAL (1.2X17X2.5-583)
93104-12054-00
Unavailable
23
CAM, DECOMPRESSION
583-12288-01-00
Unavailable
24
SPRING, TORSION (583)
90508-16303-00
Unavailable
25
BRACKET, DECOMPRESSION
583-12283-00-00
Unavailable
26
BPR7ES NGK - 4/PACK
BPR-7ES00-40-00
Unavailable
27
ABSORBER
583-11127-00-00
Unavailable
