- Partiron
- OEM Parts
- Yamaha
- motorcycle
- 1982
- TT250J (TT250) 1982
SHIFT SHAFT
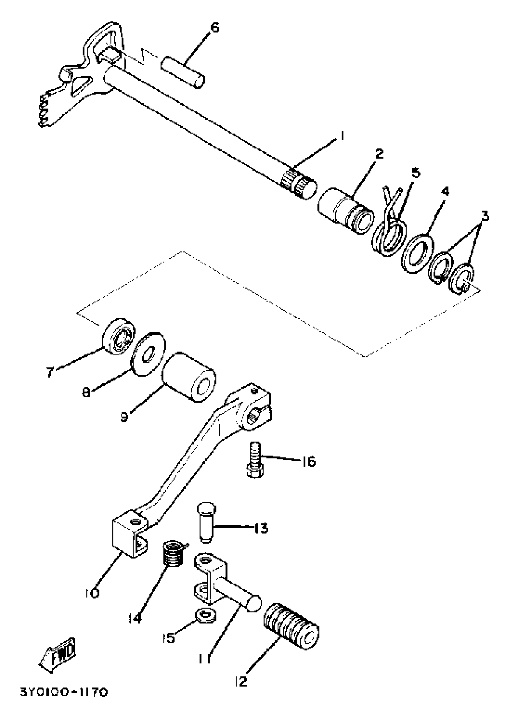
Yamaha TT250J (TT250) 1982 SHIFT SHAFT Diagram
#
Description
Price
1
SHIFT SHAFT ASSY
3Y1-18101-01-00
Unavailable
6
PIN, DOWEL
93608-30152-00
Unavailable
10
SHIFT PEDAL ASSEMBLY
3Y0-18110-00-00
Unavailable
11
PEDAL, SHIFT
3R8-18162-00-00
Unavailable
13
PIN (90243-08017)
90243-08019-00
Unavailable
14
SPRING, TORSION
90508-20415-00
Unavailable
16
BOLT, HEXAGON
97017-06020-00
Unavailable
