- Partiron
- OEM Parts
- Yamaha
- motorcycle
- 1982
- TT250J (TT250) 1982
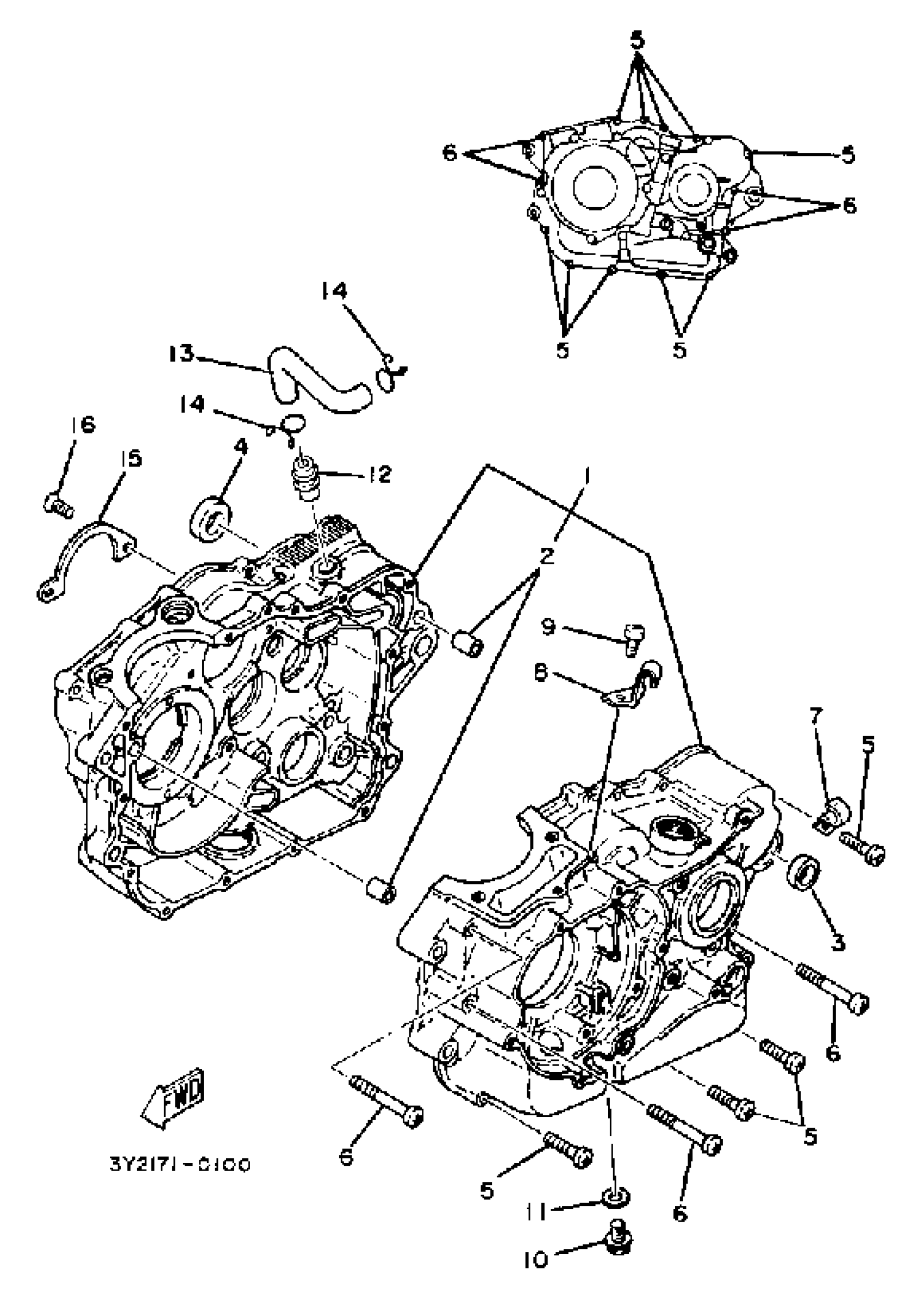
CRANKCASE
Yamaha TT250J (TT250) 1982 CRANKCASE Diagram
#
Description
Price
1
CRANKCASE ASSEMBLY
3Y1-15100-02-00
Unavailable
5
SCREW, PAN
98517-06030-00
Unavailable
7
CLAMP(51Y)
90465-08277-00
Unavailable
8
HOLDER, CLUTCH CABLE (3Y1-15441-010
31G-15441-00-00
Unavailable
11
WASHER, PLATE(481)
90201-10118-00
Unavailable
13
PIPE, BREATHER 1
3Y1-11166-00-00
Unavailable
16
SCREW, FLAT
98707-06014-00
Unavailable
