- Partiron
- OEM Parts
- Yamaha
- motorcycle
- 1980
- TT250G (TT250) 1980
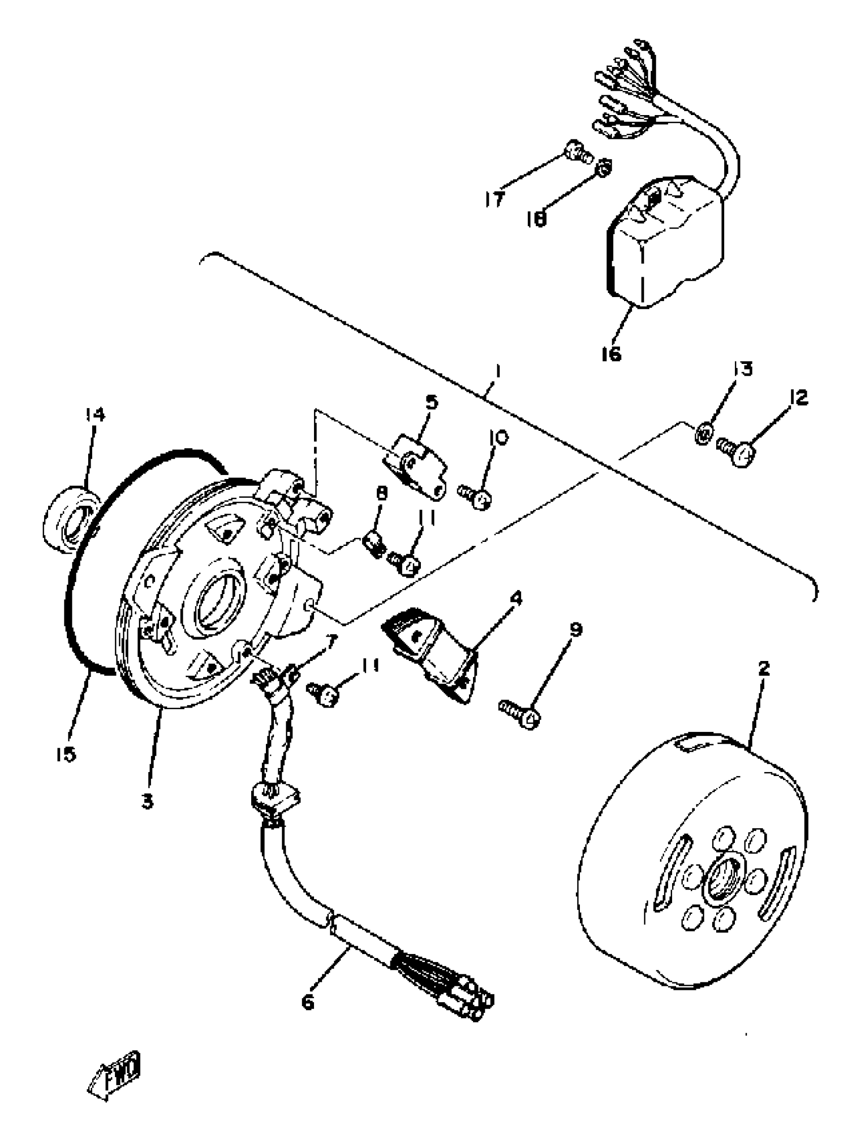
C - D - I - MAGNETO
Yamaha TT250G (TT250) 1980 C - D - I - MAGNETO Diagram
#
Description
Price
1
CDI MAGNETO ASSEMBLY
3Y0-85500-90-00
Unavailable
2
ROTOR ASSEMBLY
(3Y0-85550-20-00)
Unavailable
3
. BASE, MAGNETO
3Y1-85509-20-00
Unavailable
4
. COIL SOURCE 2
31G-85512-20-00
Unavailable
5
. COIL, PULSER
3Y1-85580-20-00
Unavailable
6
LEAD WIRE ASSEMBLY
(3Y0-85515-20-00)
Unavailable
7
CLAMP, READ
445-81328-20-00
Unavailable
8
CLAMP, LEAD
(3Y1-85528-20-00)
Unavailable
9
SCREW, PAN HEAD
98580-05020-00
Unavailable
11
SCREW, PAN HEAD(3XP)
98517-04006-00
Unavailable
16
CDI UNIT ASSEMBLY
3Y1-85540-20-00
Unavailable
17
BOLT, HEXAGON DEEP RECESS
97D95-06016-00
Unavailable
18
WASHER, SPRING
92995-06100-00
Unavailable
