- Partiron
- OEM Parts
- Yamaha
- motorcycle
- 1987
- TT225T (TT225) 1987
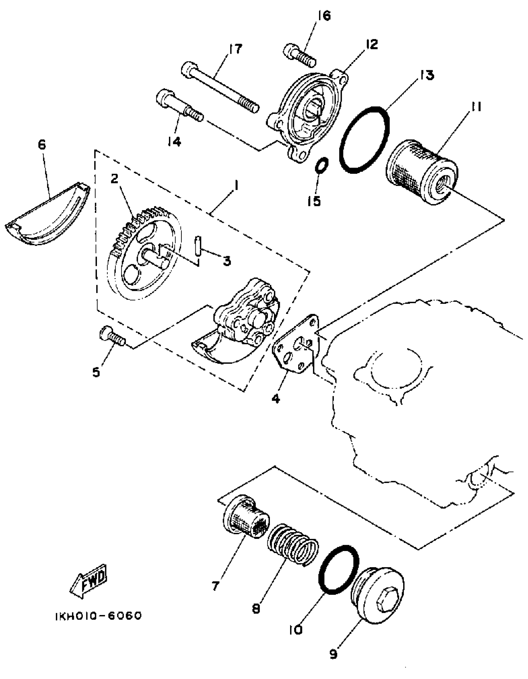
OIL PUMP
Yamaha TT225T (TT225) 1987 OIL PUMP Diagram
#
Description
Price
6
COVER, PUMP GEAR
5H0-13327-00-00
Unavailable
12
COVER, OIL ELEMENT
15A-13447-01-00
Unavailable
17
SCREW, PAN
98507-06075-00
Unavailable
