- Partiron
- OEM Parts
- Suzuki
- Motorcycle
- 1977
- TS75 (1977)
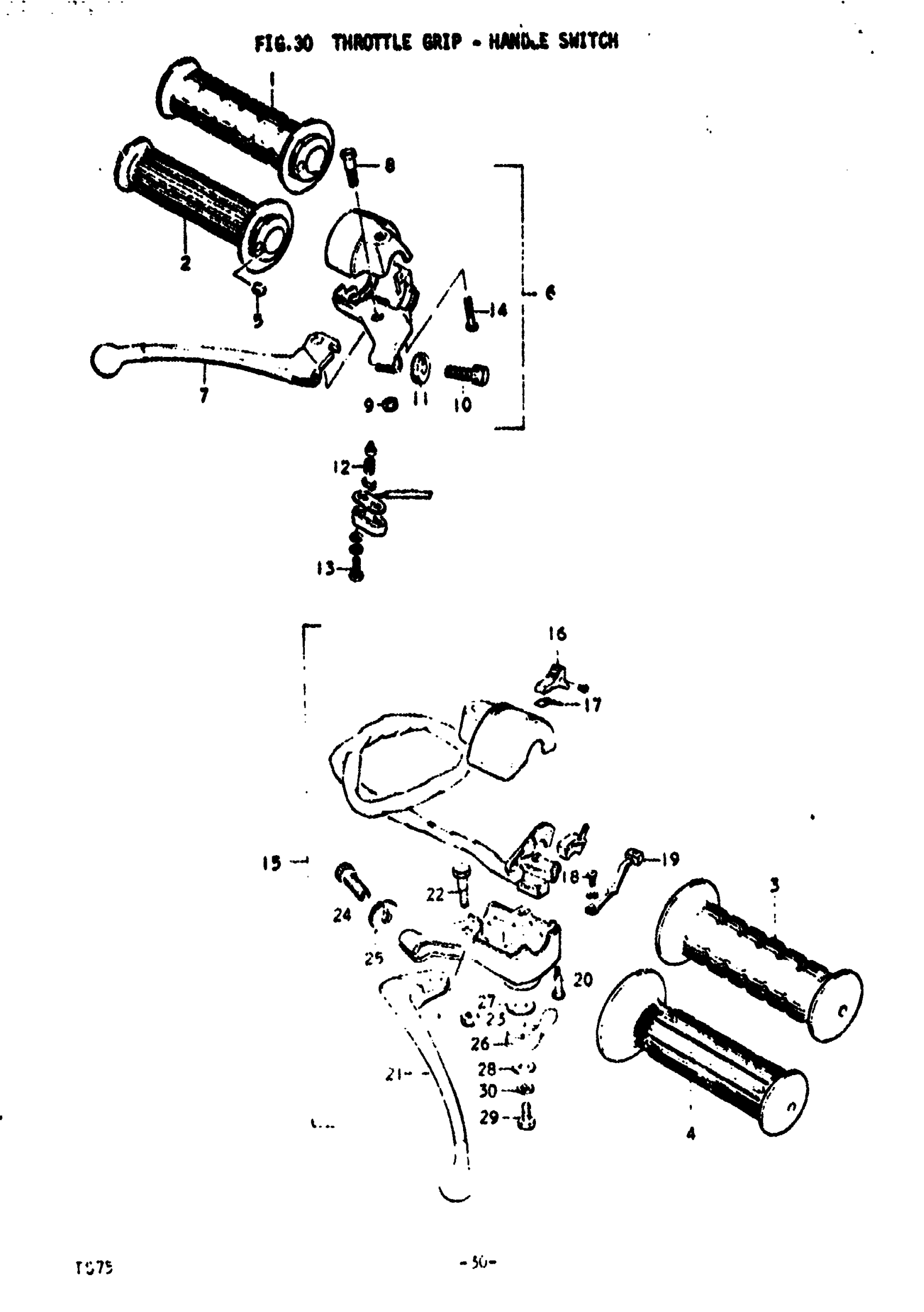
THROTTLE GRIP - HANDLE SWITCH
Suzuki TS75 (1977) THROTTLE GRIP - HANDLE SWITCH Diagram
#
Description
Price
1
GRIP THROTTLE | M This part replaces 57110-25311.
57110-25601
Unavailable
2
GRIP THROTTLE | A,B This part replaces 57110-25600.
57110-25601
Unavailable
6
NO DESCRIPTION AVAILABLE | Includes Item(s) 7 - 14 This part replaces 57300-26610.
57300-26611
Unavailable
7
LEVER, BRAKE This part replaces 57420-33010.
57420-18602
Unavailable
8
BOLT, PIVOT
57431-25310
Unavailable
15
NO DESCRIPTION AVAILABLE | Includes Item(s) 16 - 30 This part replaces 57500-26600.
57500-26603
Unavailable
19
NO DESCRIPTION AVAILABLE | FROM 57651-25610 This part replaces 57651-25611.
57651-25612
Unavailable
21
LEVER, CLUTCH This part replaces 57620-31010.
57620-45010
Unavailable
22
BOLT, PIVOT
57431-25310
Unavailable
26
LEVER, STARTER
58721-25611
Unavailable
