Partiron

Suzuki TS75 (1977) REAR COMBINATION LAMP (TS75B) Diagram

#

Description
Price

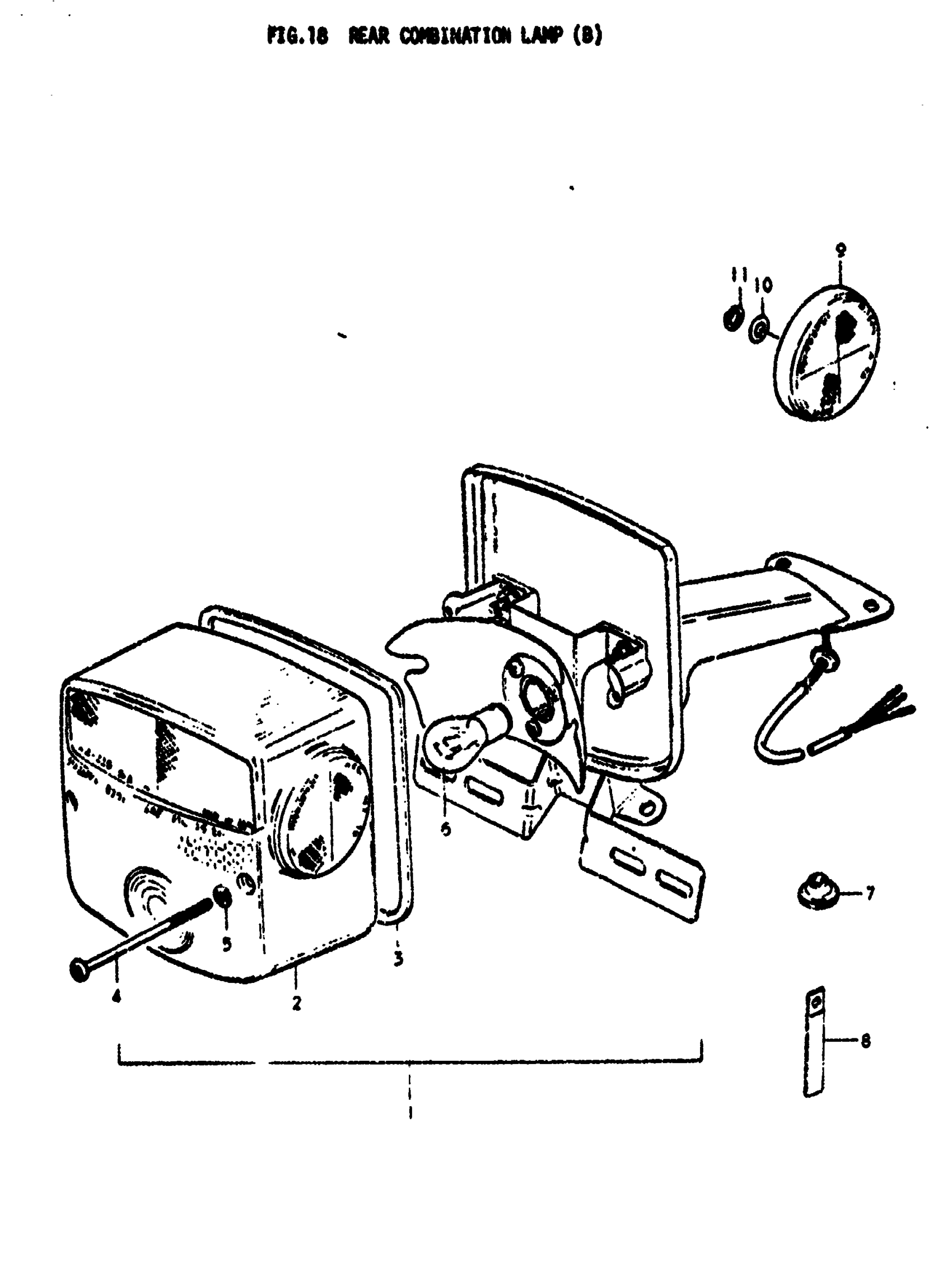
1

NO DESCRIPTION AVAILABLE | Includes Item(s) 2 - 6 This part replaces 35710-26630.

35710-26631

Unavailable

2

LENS

35713-30510

Unavailable

3

GASKET

35713-30510

Unavailable

4

SCREW 4X55 This part replaces 02111-04558.

02112-04558

$1.65

5

GASKET

35627-43010

$2.28

6

BULB | 6V, 32/3CP

09471-06030

Unavailable

7

GROMMET

09308-06002

Unavailable

8

CLAMP This part replaces 09403-00069.

09404-06037

Unavailable

9

REFLECTOR FRONT

35950-45010

$17.09

10

WASHER This part replaces 08322-21058.

08322-01057

$2.13

11

LOCK WASHER This part replaces 08321-21058.

08321-0105A

$1.84