- Partiron
- OEM Parts
- Suzuki
- Motorcycle
- 1977
- TS75 (1977)
CLUTCH
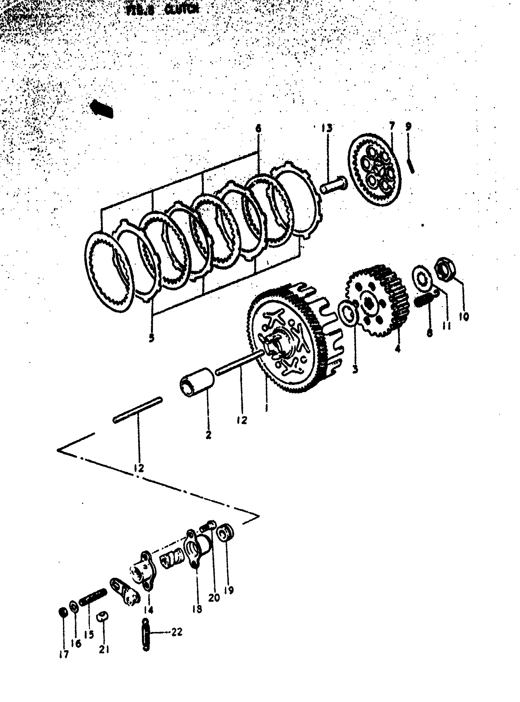
Suzuki TS75 (1977) CLUTCH Diagram
#
Description
Price
1
NO DESCRIPTION AVAILABLE | M,A This part replaces 21200-03001.
21200-03010
Unavailable
1
NO DESCRIPTION AVAILABLE | B This part replaces 21200-03002.
21200-03010
Unavailable
2
SPACER | 17x21x33.5
09180-17011
Unavailable
4
HUS, CLUTCH SIEEVE
21411-22200
Unavailable
5
PLATE, CLUTCH DRIVE | M,A
21441-03000
Unavailable
7
PLATE, CLUTCH PRESSURE
21460-23000
Unavailable
12
ROD, CLUTCH PUSH | 00:5.5, L:90
23111-03001
Unavailable
13
ROD, CLUTCH RELESSE
23121-03010
Unavailable
14
SCREW ASSY, CLUTCH RELEASE | Includes Item(s) 15 - 17
23200-26000
Unavailable
