- Partiron
- OEM Parts
- Suzuki
- Motorcycle
- 1970
- TS250 (1970)
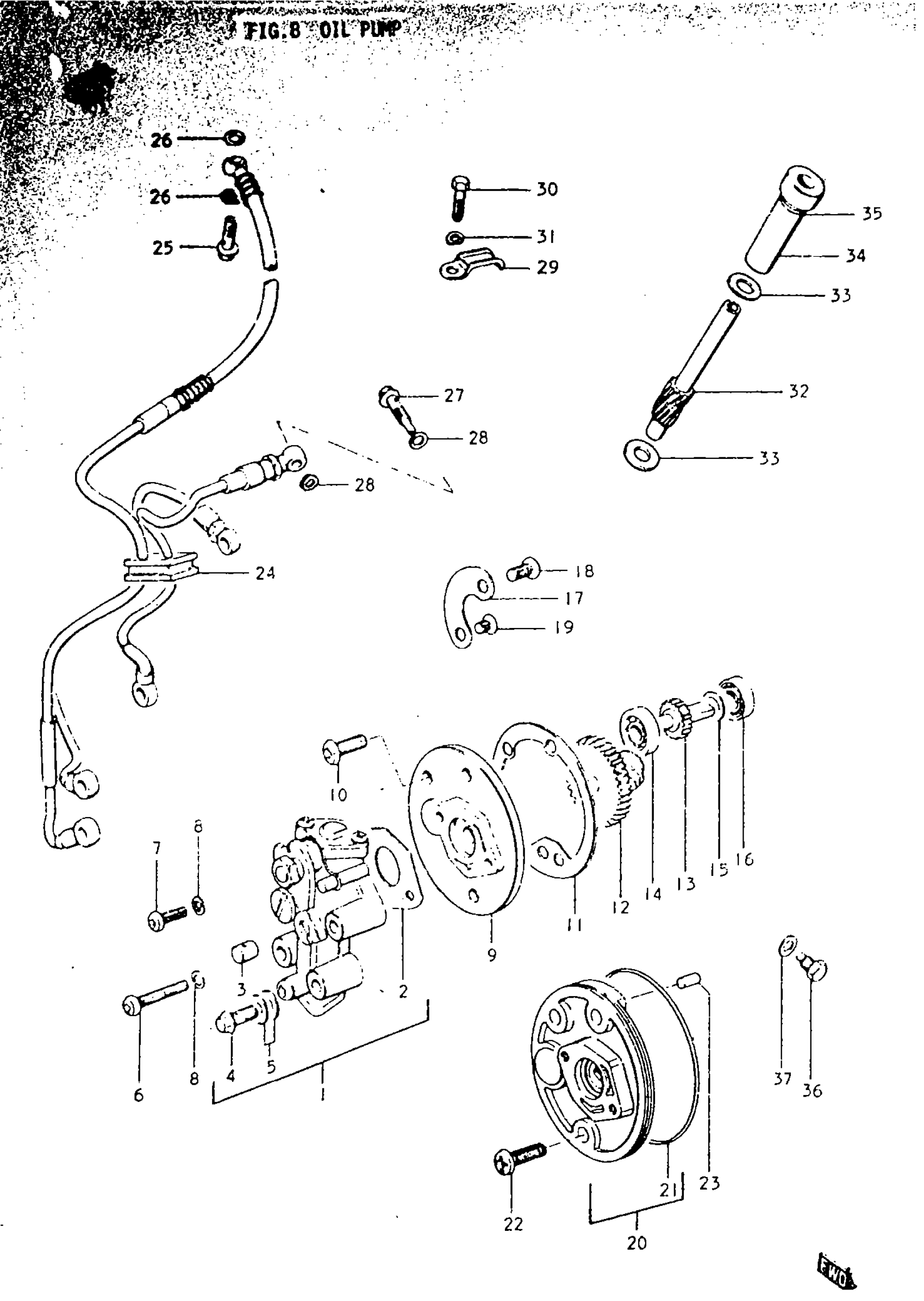
OIL PUMP
Suzuki TS250 (1970) OIL PUMP Diagram
#
Description
Price
1
PUMP ASSY, OIL | Includes Item(s) 2 - 5
16000-16810
Unavailable
4
UNION BOLT
09360-06005
Unavailable
6
SCREW, OIL PUMP | 5x27
09125-05109
Unavailable
9
COVER, OIL PUMP DRIVE GEAR | 1
16340-16400
Unavailable
10
SCREW | 1
02111-06208
Unavailable
11
GASKET | 1
16381-16400
Unavailable
12
GEAR, OIL PUMP DRIVEN | 1; NT:39/5
16301-16400
Unavailable
13
GEAR, OIL PUMP DRIVE | 1; NT:17
16311-16400
Unavailable
14
BEARING | 1
08113-06080
Unavailable
16
BEARING | 1
08113-06260
Unavailable
17
PLATE, BEARING FITTING | 1
16351-16400
Unavailable
18
SCREW | 1
02121-06088
Unavailable
20
CASE ASSY, OIL PUMP GEAR | 2; Includes Item(s) 21
16300-16400
Unavailable
21
O RING | 2
09280-76001
Unavailable
22
SCREW | 2
02111-06308
Unavailable
23
DOWEL PIN | 2
04211-05089
Unavailable
24
HOSE ASSY, OIL
16800-16430
Unavailable
25
UNION BOLT
09360-06005
Unavailable
28
GASKET, UNION BOLT
09168-06003
Unavailable
29
CLAMP, OIL HOSE
09403-00043
Unavailable
30
BOLT
01111-06108
Unavailable
32
GEAR, TACHOMETER DRIVEN | WT:9
26431-16400
Unavailable
34
SLEEVE
26441-11000
Unavailable
