- Partiron
- OEM Parts
- Suzuki
- Motorcycle
- 1981
- TS185 (1981)
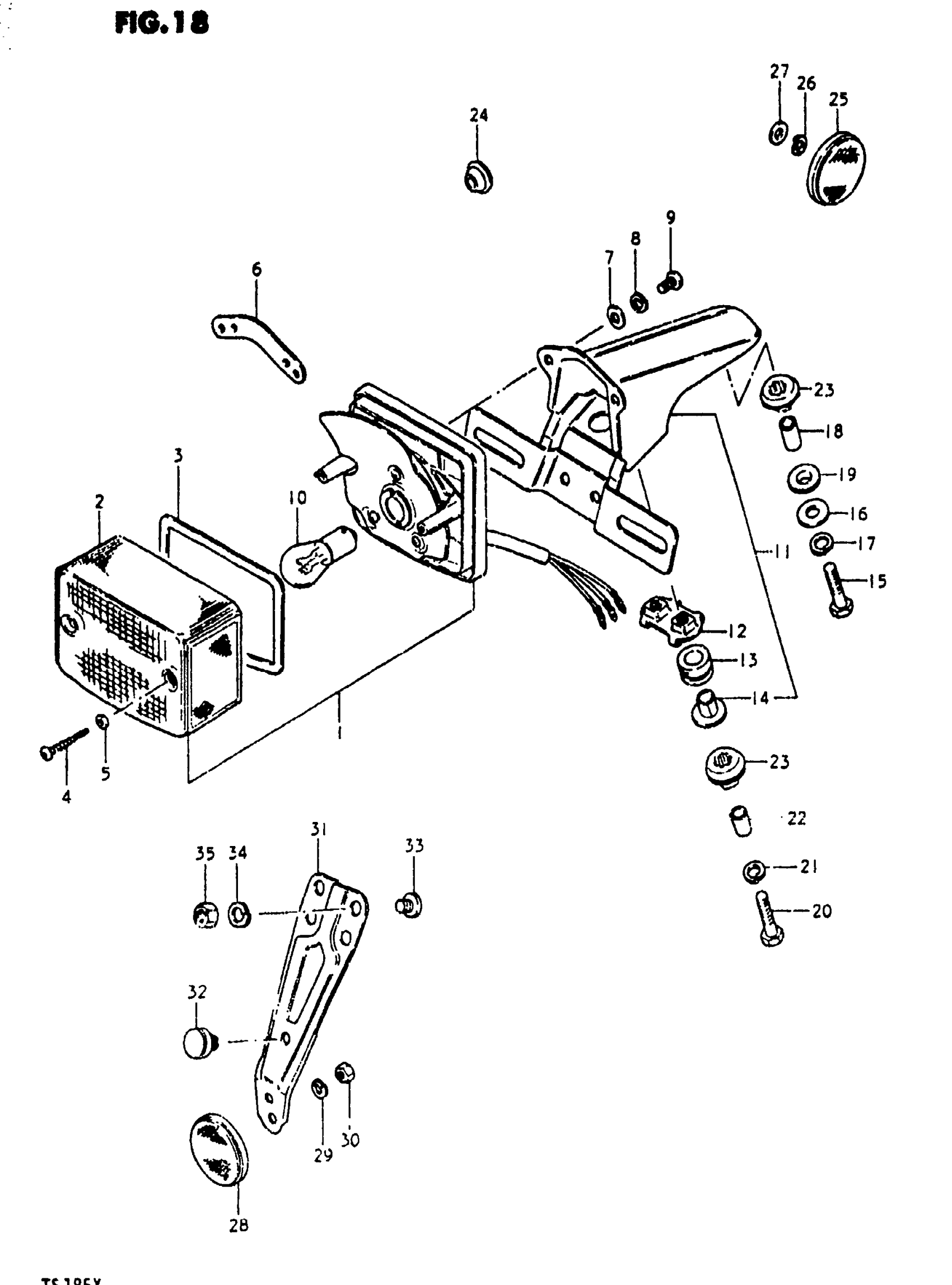
REAR COMBINATION LAMP
Suzuki TS185 (1981) REAR COMBINATION LAMP Diagram
#
Description
Price
1
LAMP UNIT,RR CO | Includes Item(s) 2 - 9 This part replaces 35720-48510-999.
35720-37430-999
Unavailable
6
PLATE
35716-48510
Unavailable
10
BULB (6V,32/3CP)
09471-06030
Unavailable
11
BRACKET ASSY | Includes Item(s) 12 - 14
35730-48530
Unavailable
12
PLATE
35716-30950
Unavailable
31
NO DESCRIPTION AVAILABLE This part replaces 35974-48530.
35974-48532
Unavailable
32
CUSHION
09321-05010
Unavailable
