- Partiron
- OEM Parts
- Suzuki
- Motorcycle
- 1976
- TS185 (1976)
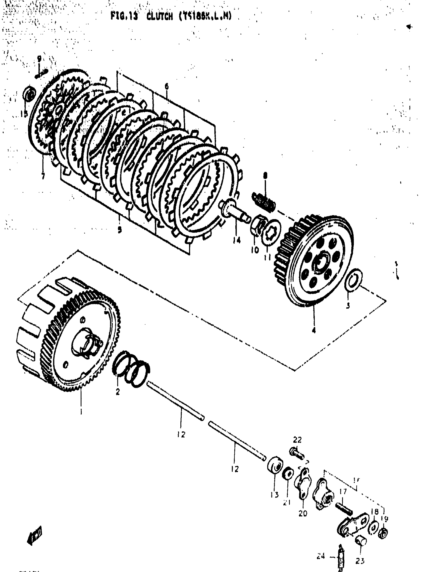
CLUTCH (TS185K
Suzuki TS185 (1976) CLUTCH (TS185K Diagram
#
Description
Price
1
GEAR ASSY, PRIMARY DRIVEN | NT:61 TO 21200-29810
21200-29000
Unavailable
2
SPRING
09440-32001
Unavailable
4
HUB, CLUTCH SLEEVE
21410-29000
Unavailable
14
PIECE, CLUTCH PUSH
23121-14000
Unavailable
16
SCREW ASSY, CLUTCH RELEASE | Includes Item(s) 17 - 19
23200-29002
Unavailable
